进入框架页面 

3. 多路开关状态指示

1. 实验任务

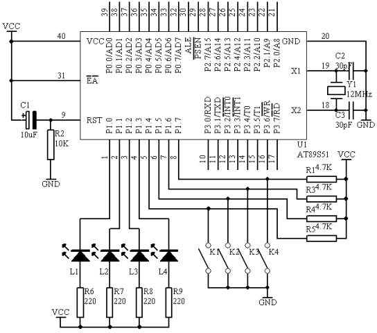
如图4.3.1所示,AT89S51单片机的P1.0-P1.3接四个发光二极管L1-L4,P1.4-P1.7接了四个开关K1-K4,编程将开关的状态反映到发光二极管上。(开关闭合,对应的灯亮,开关断开,对应的灯灭)。

2. 电路原理图

图4.3.1

3. 系统板上硬件连线

(1. 把“单片机系统”区域中的P1.0-P1.3用导线连接到“八路发光二极管指示模块”区域中的L1-L4端口上;

(2. 把“单片机系统”区域中的P1.4-P1.7用导线连接到“四路拨动开关”区域中的K1-K4端口上;

4. 程序设计内容

(1. 开关状态检测

对于开关状态检测,相对单片机来说,是输入关系,我们可轮流检测每个开关状态,根据每个开关的状态让相应的发光二极管指示,可以采用JB P1.X,REL或JNB P1.X,REL指令来完成;也可以一次性检测四路开关状态,然后让其指示,可以采用MOV A,P1指令一次把P1端口的状态全部读入,然后取高4位的状态来指示。

(2. 输出控制

根据开关的状态,由发光二极管L1-L4来指示,我们可以用SETB P1.X和CLR P1.X指令来完成,也可以采用MOV P1,#1111XXXXB方法一次指示。

5. 程序框图

 

P1口数据到ACC

ACC内容右移4

ACC内容与F0H相或

ACC内容送入P1

图4.3.2

6. 方法一(汇编源程序)
ORG 00H
START: MOV A,P1
ANL A,#0F0H
RR A
RR A
RR A
RR A
XOR A,#0F0H
MOV P1,A
SJMP START
END
7. 方法一(C语言源程序)
#include <AT89X51.H>
unsigned char temp;

void main(void)
{
while(1)
{
temp=P1>>4;
temp=temp | 0xf0;
P1=temp;
}
}
8. 方法二(汇编源程序)
ORG 00H
START: JB P1.4,NEXT1
CLR P1.0
SJMP NEX1
NEXT1: SETB P1.0
NEX1: JB P1.5,NEXT2
CLR P1.1
SJMP NEX2
NEXT2: SETB P1.1
NEX2: JB P1.6,NEXT3
CLR P1.2
SJMP NEX3
NEXT3: SETB P1.2
NEX3: JB P1.7,NEXT4
CLR P1.3
SJMP NEX4
NEXT4: SETB P1.3
NEX4: SJMP START
END
9. 方法二(C语言源程序)
#include <AT89X51.H>

void main(void)
{
while(1)
{
if(P1_4==0)
{
P1_0=0;
}
else
{
P1_0=1;
}
if(P1_5==0)
{
P1_1=0;
}
else
{
P1_1=1;
}
if(P1_6==0)
{
P1_2=0;
}
else
{
P1_2=1;
}
if(P1_7==0)
{
P1_3=0;
}
else
{
P1_3=1;
}
}
}


以上资料来自于互联网!编辑整理:五一电子加油站;网址:http://51dz.com
欢迎光临五一电子商城!免费学习电子技术,面向全国邮购电子元件、实验套件!