注意:访问本站需要Cookie和JavaScript支持!请设置您的浏览器! 打开购物车 查看留言付款方式联系我们
初中电子 单片机教材一 单片机教材二
搜索上次看见的商品或文章:
商品名、介绍 文章名、内容
首页 电子入门 学单片机 免费资源 下载中心 商品列表 象棋在线 在线绘图 加盟五一 加入收藏 设为首页
 商品分类
※ 电子制作套件 ※
入门初学套件· 单片机应用套件
无线对讲话筒· 数字钟数字电路
收音功放套件· 功放套件
电话门铃电平· 万用表电源
LED节能灯套件· 遥控开关报警
竞赛实训设计· 传感器类套件
贴片练习套件· 显示屏套件
※ 电子实验套件 ※
单片机编程器· 初学实验套件
单片机产品· 实验板元件
LCD模块下载· 面包板
※ 电子工具 ※
仪器仪表· 电钻/钻头
焊接固定· 镊钳螺丝刀
工具套装· 元件盒胶袋
※ 电子电路板 ※
万能线路板· 感光敷铜板
收音功放成品· 其它成品板
单片机类光板· 印刷电路光板
※ 电子元器件 ※
电阻· 电容
电位器可调电阻· 二极管
三极管· 发光二极管
可控硅· 场效应管
电感线圈· 晶振滤波器
蜂鸣压垫片· 保险管灯泡
数码管点阵· 继电器干簧管
※ 贴片元器件 ※
贴片二极管· 贴片电阻/容
贴片三极管· 贴片常用IC
贴片40/74系· 贴片电感开关
贴片单片机·
※ 五金塑胶线材 ※
开关· IC插座
插头插座· 杜邦插接件
旋钮· 热缩管
电动机· 电子导线
连接线· 散热片
螺丝弹簧· 电池盒扣
电子制作盒·
※ 集成电路IC ※
单片机芯片· CD40系列IC
配单片机IC· 74LS系列IC
74HC系列IC· 运放耦合器
收发功放IC· 电源稳压IC
音乐动物IC· LED芯片
※ 模组传感器 ※
特色传感模块· 无线模块开关
传感测试探头· 气温湿传感器
※ 日常电子产品 ※
电源变压器· 图书管资料
功放收音机· 其它产品
喇叭· 音响炮筒
※ 特价电子 ※
新品优惠· 特价商品
库存回收· 停止供货
当前位置: 首页 >>> 【图片版】 【图文版】 【文字版

注:为了提高网速,图片可能被压缩! 图片仅供参考!
TDA8947J四声道功放IC
商城价格:¥18.90 元  免费注册有礼送
贵宾价格:¥16.07 元  加入贵宾更优惠
单件重量:7 克(仅供参考,包装重量另计)
  货源充足 支持零售   加入收藏  我要评论
点这里将商品放入购物车 

如果您喜欢该商品,您可以放入购物车!当您选好商品后,您可以留下您的地址和电话并提交订单,本站会按顺序处理!

请您放心,提交订单并不表示必需购买。 提交订单仅仅是信息交流的一种方法,仅仅只代表了您临时的潜在需求,您完全可以决定不购买,并且不需要任何理由。

注:本站图片仅供参考!因各种原因,图片与实物不一定相符,不便之处敬请谅解!我们会尽快改良!

内部有四个OTL功率放大器,工作电压10-26V,可以做成两个BTL功放,也可以做一个BTL+两个单声道功放(即2.1系统),适合做汽车功放IC,特别适合12V、24V通用,本站有采用这个芯片的汽车音响出售。

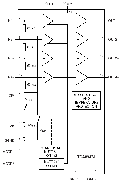
这是该芯片的内部方框图:

这是该芯片的引脚功能图:

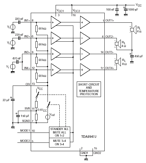
这是该芯片的典型应用图: (请大家注意喇叭的正负极性,本集成电路设计巧妙之处还在于,内部做有四个性能完全一样的OTL功放,但是内部已经完成了极性反转,所以,做BTL电路,只需要输入端直接并联即可!对于OTL电路应用,只需接线有相应的反接即可!)

更详细的应用请参考芯片手册:

TDA8947J四声道25W功放.pdf 200.40KB 点击下载

 

本站有采用本芯片的汽车音响出售,该汽车音响用来替换采用磁带、CD的音响,该汽车音响可以播放SD卡或者U盘中的MP3音乐,12V和24电池的小车、货车均可使用。 SD卡/U盘/MP3/收音/功放车载一体机


查看和发表评论
管理员一般会在8-48小时内回复,会删除无意义的留言以及重复留言,请保证留言标题清晰,内容明确!
1、评论不代表本站观点。 另外,即使是本站原创作品,本站也不保证内容绝对正确。
2、如果您拥有本文版权,并且不想在此处发表,请书面通知本站立即删除并且向您公开道歉!

2010年优惠大酬宾:凡在本商城免费注册并且提交订单购买商品者,本站都会例行赠送《电脑钻孔的万能线路板一》一块! 查看详情
本站协议 | 版权信息 |  关于我们 |  本站地图 |  营业执照 |  发票说明 |  付款方式 |  联系方式
深圳市宝安区西乡五壹电子商行——粤ICP备16073394号-1;地址:深圳西乡河西四坊183号;邮编:518102
E-mail:51dz$163.com($改为@);Tel:(0755)27947428
工作时间:9:30-12:00和13:30-17:30和18:30-20:30,无人接听时可以再打手机13537585389