注意:访问本站需要Cookie和JavaScript支持!请设置您的浏览器! 打开购物车 查看留言付款方式联系我们
初中电子 单片机教材一 单片机教材二
搜索上次看见的商品或文章:
商品名、介绍 文章名、内容
首页 电子入门 学单片机 免费资源 下载中心 商品列表 象棋在线 在线绘图 加盟五一 加入收藏 设为首页
本站推荐:
24. 8X8 LED点阵显示技术
文章长度[] 加入时间[2008/5/30] 更新时间[2026/5/9 15:22:52] 级别[0] [评论] [收藏]
 
1.     实验任务
在8X8 LED点阵上显示柱形,让其先从左到右平滑移动三次,其次从右到左平滑移动三次,再次从上到下平滑移动三次,最后从下到上平滑移动三次,如此循环下去。
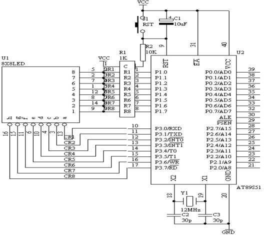
2.     电路原理图
图4.24.1
3.     硬件电路连线
(1).  把“单片机系统”区域中的P1端口用8芯排芯连接到“点阵模块”区域中的“DR1-DR8”端口上;
(2).  把“单片机系统”区域中的P3端口用8芯排芯连接到“点阵模块”区域中的“DC1-DC8”端口上;
4.     程序设计内容
(1).  8X8 点阵LED工作原理说明
8X8点阵LED结构如下图所示
 
从图4.24.2中可以看出,8X8点阵共需要64个发光二极管组成,且每个发光二极管是放置在行线和列线的交叉点上,当对应的某一列置1电平,某一行置0电平,则相应的二极管就亮;因此要实现一根柱形的亮法,如图49所示,对应的一列为一根竖柱,或者对应的一行为一根横柱,因此实现柱的亮的方法如下所述:
一根竖柱:对应的列置1,而行则采用扫描的方法来实现。
一根横柱:对应的行置0,而列则采用扫描的方法来实现。
5.     汇编源程序
                  ORG 00H
START:      NOP
                  MOV R3,#3
LOP2:        MOV R4,#8
                  MOV R2,#0
LOP1:        MOV P1,#0FFH
                  MOV DPTR,#TABA
                  MOV A,R2
                  MOVC A,@A+DPTR
                  MOV P3,A
                  INC R2
                  LCALL DELAY
                  DJNZ R4,LOP1
                  DJNZ R3,LOP2
                  MOV R3,#3
LOP4:        MOV R4,#8
                  MOV R2,#7
LOP3:        MOV P1,#0FFH
                  MOV DPTR,#TABA
                  MOV A,R2
                  MOVC A,@A+DPTR
                  MOV P3,A
                  DEC R2
                  LCALL DELAY
                  DJNZ R4,LOP3
                  DJNZ R3,LOP4
                  MOV R3,#3
LOP6:        MOV R4,#8
                  MOV R2,#0
LOP5:        MOV P3,#00H
                  MOV DPTR,#TABB
                  MOV A,R2
                  MOVC A,@A+DPTR
                   MOV P1,A
                  INC R2
                  LCALL DELAY
                  DJNZ R4,LOP5
                  DJNZ R3,LOP6
                  MOV R3,#3
LOP8:        MOV R4,#8
                  MOV R2,#7
LOP7:        MOV P3,#00H
                  MOV DPTR,#TABB
                  MOV A,R2
                  MOVC A,@A+DPTR
                  MOV P1,A
                  DEC R2
                  LCALL DELAY
                  DJNZ R4,LOP7
                  DJNZ R3,LOP8
                  LJMP START
DELAY:     MOV R5,#10
D2:            MOV R6,#20
D1:            MOV R7,#248
                  DJNZ R7,$
                  DJNZ R6,D1
                  DJNZ R5,D2
                  RET
TABA:       DB 0FEH,0FDH,0FBH,0F7H,0EFH,0DFH,0BFH,07FH
TABB:       DB 01H,02H,04H,08H,10H,20H,40H,80H
                  END
6.     C语言源程序
#include <AT89X52.H> 
unsigned char code taba[]={0xfe,0xfd,0xfb,0xf7,0xef,0xdf,0xbf,0x7f};
unsigned char code tabb[]={0x01,0x02,0x04,0x08,0x10,0x20,0x40,0x80};
void delay(void)
{
  unsigned char i,j;
  for(i=10;i>0;i--)
  for(j=248;j>0;j--);
}
void delay1(void)
{
  unsigned char i,j,k;
  for(k=10;k>0;k--)
  for(i=20;i>0;i--)
  for(j=248;j>0;j--);
}
void main(void)
{
  unsigned char i,j;
  while(1)
    {
      for(j=0;j<3;j++)  //from left to right 3 time
        {
          for(i=0;i<8;i++)
            {
              P3=taba[i];
              P1=0xff;
              delay1();
            }
        }
      for(j=0;j<3;j++)  //from right to left 3 time
        {
          for(i=0;i<8;i++)
            {
              P3=taba[7-i];
              P1=0xff;
              delay1();
            }
        }
      for(j=0;j<3;j++)  //from top to bottom 3 time
        {
          for(i=0;i<8;i++)
            {
              P3=0x00;
              P1=tabb[7-i];
              delay1();
            }
        }
      for(j=0;j<3;j++)  //from bottom to top 3 time
        {
          for(i=0;i<8;i++)
            {
              P3=0x00;
              P1=tabb[i];
              delay1();
            }
        }
    }
}
1、 本站不保证以上观点正确,就算是本站原创作品,本站也不保证内容正确。
2、如果您拥有本文版权,并且不想在本站转载,请书面通知本站立即删除并且向您公开道歉! 以上可能是本站收集或者转载的文章,本站可能没有文章中的元件或产品,如果您需要类似的商品请 点这里查看商品列表!
本站协议 | 版权信息 |  关于我们 |  本站地图 |  营业执照 |  发票说明 |  付款方式 |  联系方式
深圳市宝安区西乡五壹电子商行——粤ICP备16073394号-1;地址:深圳西乡河西四坊183号;邮编:518102
E-mail:51dz$163.com($改为@);Tel:(0755)27947428
工作时间:9:30-12:00和13:30-17:30和18:30-20:30,无人接听时可以再打手机13537585389