注意:访问本站需要Cookie和JavaScript支持!请设置您的浏览器! 打开购物车 查看留言付款方式联系我们
初中电子 单片机教材一 单片机教材二
搜索上次看见的商品或文章:
商品名、介绍 文章名、内容
首页 电子入门 学单片机 免费资源 下载中心 商品列表 象棋在线 在线绘图 加盟五一 加入收藏 设为首页
本站推荐:
22. 电子琴
文章长度[] 加入时间[2008/5/30] 更新时间[2026/5/9 4:14:10] 级别[0] [评论] [收藏]
 
1.  实验任务
(1.       由4X4组成16个按钮矩阵,设计成16个音。
(2.       可随意弹奏想要表达的音乐。
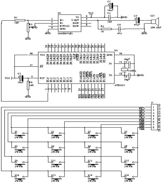
2. 电路原理图
图4.22.1
3. 系统板硬件连线
(1.       把“单片机系统”区域中的P1.0端口用导线连接到“音频放大模块”区域中的SPK IN端口上;
(2.       把“单片机系统“区域中的P3.0-P3.7端口用8芯排线连接到“4X4行列式键盘”区域中的C1-C4 R1-R4端口上;
4.  相关程序内容
(1.       4X4行列式键盘识别;
(2.       音乐产生的方法;
一首音乐是许多不同的音阶组成的,而每个音阶对应着不同的频率,这样我们就可以利用不同的频率的组合,即可构成我们所想要的音乐了,当然对于单片机来产生不同的频率非常方便,我们可以利用单片机的定时/计数器T0来产生这样方波频率信号,因此,我们只要把一首歌曲的音阶对应频率关系弄正确即可。现在以单片机12MHZ晶振为例,例出高中低音符与单片机计数T0相关的计数值如下表所示

音符
频率(HZ)
简谱码(T值)
音符
频率(HZ)
简谱码(T值)
低1 DO
262
63628
# 4 FA#
740
64860
#1 DO#
277
63731
中 5 SO
784
64898
低2 RE
294
63835
# 5 SO#
831
64934
#2 RE#
311
63928
中 6 LA
880
64968
低 3 M
330
64021
# 6
932
64994
低 4 FA
349
64103
中 7 SI
988
65030
# 4 FA#
370
64185
高 1 DO
1046
65058
低 5 SO
392
64260
# 1 DO#
1109
65085
# 5 SO#
415
64331
高 2 RE
1175
65110
低 6 LA
440
64400
# 2 RE#
1245
65134
# 6
466
64463
高 3 M
1318
65157
低 7 SI
494
64524
高 4 FA
1397
65178
中 1 DO
523
64580
# 4 FA#
1480
65198
# 1 DO#
554
64633
高 5 SO
1568
65217
中 2 RE
587
64684
# 5 SO#
1661
65235
# 2 RE#
622
64732
高 6 LA
1760
65252
中 3 M
659
64777
# 6
1865
65268
中 4 FA
698
64820
高 7 SI
1967
65283

下面我们要为这个音符建立一个表格,有助于单片机通过查表的方式来获得相应的数据
低音0-19之间,中音在20-39之间,高音在40-59之间
TABLE:        DW 0,63628,63835,64021,64103,64260,64400,64524,0,0
                   DW 0,63731,63928,0,64185,64331,64463,0,0,0
                   DW 0,64580,64684,64777,64820,64898,64968,65030,0,0
                   DW 0,64633,64732,0,64860,64934,64994,0,0,0
                   DW 0,65058,65110,65157,65178,65217,65252,65283,0,0
                   DW 0,65085,65134,0,65198,65235,65268,0,0,0
                   DW 0
2、音乐的音拍,一个节拍为单位(C调)

曲调值
DELAY
曲调值
DELAY
调4/4
125ms
调4/4
62ms
调3/4
187ms
调3/4
94ms
调2/4
250ms
调2/4
125ms

对于不同的曲调我们也可以用单片机的另外一个定时/计数器来完成。
下面就用AT89S51单片机产生一首“生日快乐”歌曲来说明单片机如何产生的。
在这个程序中用到了两个定时/计数器来完成的。其中T0用来产生音符频率,T1用来产生音拍。
5. 程序框图

开 始
行列式键盘按键按下成功否?
识别按键功能
根据按键功能,装入音符T值到T0中
启动T0工作
行列式键盘按键释放成功否?
停止T0工作
T0初始化并开中断允放T0中断

T0中断入口
重装TH0,TL0初值
P1.0取反
中断返回

图4.22.2
6. 汇编源程序
KEYBUF      EQU 30H
STH0        EQU 31H
STL0        EQU 32H
TEMP        EQU 33H
            ORG 00H
            LJMP START
            ORG 0BH
            LJMP INT_T0
START:      MOV TMOD,#01H
            SETB ET0
            SETB EA
WAIT:  
            MOV P3,#0FFH
            CLR P3.4
            MOV A,P3
            ANL A,#0FH 
            XRL A,#0FH
            JZ NOKEY1
            LCALL DELY10MS
            MOV A,P3
            ANL A,#0FH
            XRL A,#0FH
            JZ NOKEY1
            MOV A,P3
            ANL A,#0FH
            CJNE A,#0EH,NK1
            MOV KEYBUF,#0
            LJMP DK1
NK1:        CJNE A,#0DH,NK2
            MOV KEYBUF,#1
            LJMP DK1
NK2:        CJNE A,#0BH,NK3
            MOV KEYBUF,#2
            LJMP DK1
NK3:        CJNE A,#07H,NK4
            MOV KEYBUF,#3
            LJMP DK1
NK4:        NOP
DK1:   
            MOV A,KEYBUF
            MOV DPTR,#TABLE
            MOVC A,@A+DPTR
            MOV P0,A
            MOV A,KEYBUF
            MOV B,#2
            MUL AB
            MOV TEMP,A
            MOV DPTR,#TABLE1
            MOVC A,@A+DPTR
            MOV STH0,A
            MOV TH0,A
            INC TEMP
            MOV A,TEMP
            MOVC A,@A+DPTR
            MOV STL0,A
            MOV TL0,A
            SETB TR0
DK1A:       MOV A,P3
            ANL A,#0FH
            XRL A,#0FH
            JNZ DK1A
            CLR TR0
NOKEY1:
            MOV P3,#0FFH
            CLR P3.5
            MOV A,P3
            ANL A,#0FH
            XRL A,#0FH
            JZ NOKEY2
            LCALL DELY10MS
            MOV A,P3
            ANL A,#0FH
            XRL A,#0FH
            JZ NOKEY2
            MOV A,P3
            ANL A,#0FH
            CJNE A,#0EH,NK5
            MOV KEYBUF,#4
            LJMP DK2
NK5:        CJNE A,#0DH,NK6
            MOV KEYBUF,#5
            LJMP DK2
NK6:        CJNE A,#0BH,NK7
            MOV KEYBUF,#6
            LJMP DK2
NK7:        CJNE A,#07H,NK8
            MOV KEYBUF,#7
            LJMP DK2
NK8:        NOP
DK2:   
            MOV A,KEYBUF
            MOV DPTR,#TABLE
            MOVC A,@A+DPTR
            MOV P0,A
            MOV A,KEYBUF
            MOV B,#2
            MUL AB
            MOV TEMP,A
            MOV DPTR,#TABLE1
            MOVC A,@A+DPTR
            MOV STH0,A
            MOV TH0,A
            INC TEMP
            MOV A,TEMP
            MOVC A,@A+DPTR
            MOV STL0,A
            MOV TL0,A
            SETB TR0
DK2A:       MOV A,P3
            ANL A,#0FH
            XRL A,#0FH
            JNZ DK2A
            CLR TR0
NOKEY2:
            MOV P3,#0FFH
            CLR P3.6
            MOV A,P3
            ANL A,#0FH
            XRL A,#0FH
            JZ NOKEY3
            LCALL DELY10MS
            MOV A,P3
            ANL A,#0FH
            XRL A,#0FH
            JZ NOKEY3
            MOV A,P3
            ANL A,#0FH
            CJNE A,#0EH,NK9
            MOV KEYBUF,#8
            LJMP DK3
NK9:        CJNE A,#0DH,NK10
            MOV KEYBUF,#9
            LJMP DK3
NK10:       CJNE A,#0BH,NK11
            MOV KEYBUF,#10
            LJMP DK3
NK11:       CJNE A,#07H,NK12
            MOV KEYBUF,#11
            LJMP DK3
NK12:       NOP
DK3:
            MOV A,KEYBUF
            MOV DPTR,#TABLE
            MOVC A,@A+DPTR
            MOV P0,A
            MOV A,KEYBUF
            MOV B,#2
            MUL AB
            MOV TEMP,A
            MOV DPTR,#TABLE1
            MOVC A,@A+DPTR
            MOV STH0,A
            MOV TH0,A
            INC TEMP
            MOV A,TEMP
            MOVC A,@A+DPTR
            MOV STL0,A
            MOV TL0,A
            SETB TR0
DK3A:       MOV A,P3
            ANL A,#0FH
            XRL A,#0FH
            JNZ DK3A
            CLR TR0
NOKEY3:
            MOV P3,#0FFH
            CLR P3.7
            MOV A,P3
            ANL A,#0FH
            XRL A,#0FH
            JZ NOKEY4
            LCALL DELY10MS
            MOV A,P3
            ANL A,#0FH
            XRL A,#0FH
            JZ NOKEY4
            MOV A,P3
            ANL A,#0FH
            CJNE A,#0EH,NK13
            MOV KEYBUF,#12
            LJMP DK4
NK13:       CJNE A,#0DH,NK14
            MOV KEYBUF,#13
            LJMP DK4
NK14:       CJNE A,#0BH,NK15
            MOV KEYBUF,#14
            LJMP DK4
NK15:       CJNE A,#07H,NK16
            MOV KEYBUF,#15
            LJMP DK4
NK16:       NOP
DK4:   
            MOV A,KEYBUF
            MOV DPTR,#TABLE
            MOVC A,@A+DPTR
            MOV P0,A
            MOV A,KEYBUF
            MOV B,#2
            MUL AB
            MOV TEMP,A
            MOV DPTR,#TABLE1
            MOVC A,@A+DPTR
            MOV STH0,A
            MOV TH0,A
            INC TEMP
            MOV A,TEMP
            MOVC A,@A+DPTR
            MOV STL0,A
            MOV TL0,A
            SETB TR0
DK4A:       MOV A,P3
            ANL A,#0FH
            XRL A,#0FH
            JNZ DK4A
            CLR TR0
NOKEY4:
            LJMP WAIT
DELY10MS:
            MOV R6,#10
D1:         MOV R7,#248
            DJNZ R7,$
            DJNZ R6,D1
            RET
INT_T0:
            MOV TH0,STH0
            MOV TL0,STL0
            CPL P1.0
            RETI
TABLE:      DB 3FH,06H,5BH,4FH,66H,6DH,7DH,07H
            DB 7FH,6FH,77H,7CH,39H,5EH,79H,71H
TABLE1:     DW 64021,64103,64260,64400
            DW 64524,64580,64684,64777
            DW 64820,64898,64968,65030
            DW 65058,65110,65157,65178
            END
7.  C语言源程序
#include <AT89X51.H>
unsigned char code table[]={0x3f,0x06,0x5b,0x4f,
                            0x66,0x6d,0x7d,0x07,
                            0x7f,0x6f,0x77,0x7c,
                            0x39,0x5e,0x79,0x71};
unsigned char temp;
unsigned char key;
unsigned char i,j;
unsigned char STH0;
unsigned char STL0;
unsigned int code tab[]={64021,64103,64260,64400,
                          64524,64580,64684,64777,
                          64820,64898,64968,65030,
                          65058,65110,65157,65178};
void main(void)
{
  TMOD=0x01;
  ET0=1;
  EA=1;
  while(1)
    {
      P3=0xff;
      P3_4=0;
      temp=P3;
      temp=temp & 0x0f;
      if (temp!=0x0f)
        {
          for(i=50;i>0;i--)
          for(j=200;j>0;j--);
          temp=P3;
          temp=temp & 0x0f;
          if (temp!=0x0f)
            {
              temp=P3;
              temp=temp & 0x0f;             
              switch(temp)
                {
                  case 0x0e:
                    key=0;
                    break;
                  case 0x0d:
                    key=1;
                    break;
                  case 0x0b:
                    key=2;
                    break;
                  case 0x07:
                    key=3;
                    break;
                }
              temp=P3;
              P1_0=~P1_0;
              P0=table[key];
              STH0=tab[key]/256;
              STL0=tab[key]%256;
              TR0=1;
              temp=temp & 0x0f;             
              while(temp!=0x0f)
                {
                  temp=P3;
                  temp=temp & 0x0f;             
                }
              TR0=0;
            }
        }
      P3=0xff;
      P3_5=0;
      temp=P3;
      temp=temp & 0x0f;
      if (temp!=0x0f)
        {
          for(i=50;i>0;i--)
          for(j=200;j>0;j--);
          temp=P3;
          temp=temp & 0x0f;
          if (temp!=0x0f)
            {
              temp=P3;
              temp=temp & 0x0f;             
              switch(temp)
                {
                  case 0x0e:
                    key=4;
                    break;
                  case 0x0d:
                    key=5;
                    break;
                  case 0x0b:
                    key=6;
                    break;
                  case 0x07:
                    key=7;
                    break;
                }
              temp=P3;
              P1_0=~P1_0;
              P0=table[key];
              STH0=tab[key]/256;
              STL0=tab[key]%256;
              TR0=1;
              temp=temp & 0x0f;             
              while(temp!=0x0f)
                {
                  temp=P3;
                  temp=temp & 0x0f;             
                }
              TR0=0;
            }
        }
      P3=0xff;
      P3_6=0;
      temp=P3;
      temp=temp & 0x0f;
      if (temp!=0x0f)
        {
          for(i=50;i>0;i--)
          for(j=200;j>0;j--);
          temp=P3;
          temp=temp & 0x0f;
          if (temp!=0x0f)
            {
              temp=P3;
              temp=temp & 0x0f;             
              switch(temp)
                {
                  case 0x0e:
                    key=8;
                    break;
                  case 0x0d:
                    key=9;
                    break;
                  case 0x0b:
                    key=10;
                    break;
                  case 0x07:
                    key=11;
                    break;
                }
              temp=P3;
              P1_0=~P1_0;
              P0=table[key];
              STH0=tab[key]/256;
              STL0=tab[key]%256;
              TR0=1;
              temp=temp & 0x0f;             
              while(temp!=0x0f)
                {
                  temp=P3;
                  temp=temp & 0x0f;             
                }
              TR0=0;
            }
        }
      P3=0xff;
      P3_7=0;
      temp=P3;
      temp=temp & 0x0f;
      if (temp!=0x0f)
        {
          for(i=50;i>0;i--)
          for(j=200;j>0;j--);
          temp=P3;
          temp=temp & 0x0f;
          if (temp!=0x0f)
            {
              temp=P3;
              temp=temp & 0x0f;             
              switch(temp)
        &nbswitch(temp)
                {
                  case 0x0e:
                    key=12;
                    break;
                  case 0x0d:
                    key=13;
                    break;
                  case 0x0b:
                    key=14;
                    break;
                  case 0x07:
                    key=15;
                    break;
                }
              temp=P3;
              P1_0=~P1_0;
              P0=table[key];
              STH0=tab[key]/256;
              STL0=tab[key]%256;
              TR0=1;
              temp=temp & 0x0f;             
              while(temp!=0x0f)
                {
                  temp=P3;
                  temp=temp & 0x0f;             
                }
              TR0=0;
            }
        }     
    }
}
void t0(void) interrupt 1 using 0
{
  TH0=STH0;
  TL0=STL0;
  P1_0=~P1_0;
}
sp;       {
                  case 0x0e:
                    key=12;
                    break;
                  case 0x0d:
                    key=13;
                    break;
                  case 0x0b:
                    key=14;
                    break;
                  case 0x07:
                    key=15;
                    break;
                }
              temp=P3;
              P1_0=~P1_0;
              P0=table[key];
              STH0=tab[key]/256;
              STL0=tab[key]%256;
              TR0=1;
              temp=temp & 0x0f;             
              while(temp!=0x0f)
                {
                  temp=P3;
                  temp=temp & 0x0f;             
                }
              TR0=0;
            }
        }     
    }
}
void t0(void) interrupt 1 using 0
{
  TH0=STH0;
  TL0=STL0;
  P1_0=~P1_0;
}
1、 本站不保证以上观点正确,就算是本站原创作品,本站也不保证内容正确。
2、如果您拥有本文版权,并且不想在本站转载,请书面通知本站立即删除并且向您公开道歉! 以上可能是本站收集或者转载的文章,本站可能没有文章中的元件或产品,如果您需要类似的商品请 点这里查看商品列表!
本站协议 | 版权信息 |  关于我们 |  本站地图 |  营业执照 |  发票说明 |  付款方式 |  联系方式
深圳市宝安区西乡五壹电子商行——粤ICP备16073394号-1;地址:深圳西乡河西四坊183号;邮编:518102
E-mail:51dz$163.com($改为@);Tel:(0755)27947428
工作时间:9:30-12:00和13:30-17:30和18:30-20:30,无人接听时可以再打手机13537585389