| | 51系列单片机C语言入门学习 文章长度[ ] 加入时间[ 2007/7/14] 更新时间[ 2026/5/9 4:04:14] 级别[ 0] [ 评论] [ 收藏]
|
|
|
|
|
学习单片机实在不是件易事,一来要购买高价格的编程器,仿真器,二来要学习编程语言,还有众多种类的单片机选择真是件让人头脑的事。在众多单片机中51架构的芯片风行很久,学习资料也相对很多,是初学的较好的选择之一。51的编程语言常用的有二种,一种是汇编语言,一种是C语言。汇编语言的机器代码生成效率很高但可读性却并不强,复杂一点的程序就更是难读懂,而C语言在大多数情况下其机器代码生成效率和汇编语言相当,但可读性和可移植性却远远超过汇编语言,而且C语言还可以嵌入汇编来解决高时效性的代码编写问题。对于开发周期来说,中大型的软件编写用C语言的开发周期通常要小于汇编语言很多。综合以上C语言的优点,我在学习时选择了C语言。以后的教程也只是我在学习过程中的一些学习笔记和随笔,在这里加以整理和修改,希望和大家一起分享,一起交流,一起学习,一起进步。 *注:可以肯定的说这个教程只是为初学或入门者准备的,笔者本人也只是菜鸟一只,有望各位大侠高手指点错误提出建议。 |
| 单片机与电子制作网站为广大网友提供无代码限制的KEIL C6.2的软件 |
|
第一课 建立您的第一个C项目 |
|
使用C语言肯定要使用到C编译器,以便把写好的C程序编译为机器码,这样单片机才能执行编写好的程序。KEIL uVISION2是众多单片机应用开发软件中优秀的软件之一,它支持众多不同公司的MCS51架构的芯片,它集编辑,编译,仿真等于一体,同时还支持,PLM,汇编和C语言的程序设计,它的界面和常用的微软VC++的界面相似,界面友好,易学易用,在调试程序,软件仿真方面也有很强大的功能。因此很多开发51应用的工程师或普通的单片机爱好者,都对它十分喜欢。 以上简单介绍了KEIL51软件,要使用KEIL51软件,必需先要安装它。KEIL51是一个商业的软件,对于我们这些普通爱好者可以到KEIL中国代理周立功公司的网站上下载一份能编译2K的DEMO版软件,基本可以满足一般的个人学习和小型应用的开发。(安装的方法和普通软件相当这里就不做介绍了) 安装好后,你是不是迫不及待的想建立自己的第一个C程序项目呢?下面就让我们一起来建立一个小程序项目吧。或许你手中还没有一块实验板,甚至没有一块单片机,不过没有关系我们可以通过KEIL软件仿真看到程序运行的结果。 首先当然是运行KEIL51软件。怎么打开?噢,天!那你要从头学电脑了。呵呵,开个玩笑,这个问题我想读者们也不会提的了:P。运行几秒后,出现如图1-1的屏幕。 |
 图1-1 启动时的屏幕 |
|
接着按下面的步骤建立您的第一个项目: (1)点击Project菜单,选择弹出的下拉式菜单中的New Project,如图1-2。接着弹出一个标准Windows文件对话窗口,如图1-3,这个东东想必大家是见了N次的了,用法技巧也不是这里要说的,以后的章节中出现类似情况将不再说明。在"文件名"中输入您的第一个C程序项目名称,这里我们用"test",这是笔者惯用的名称,大家不必照搬就是了,只要符合Windows文件规则的文件名都行。"保存"后的文件扩展名为uv2,这是KEIL uVision2项目文件扩展名,以后我们可以直接点击此文件以打开先前做的项目。 |
 图1-2 New Project菜单 |
 图1-3 文件窗口 |
|
(2)选择所要的单片机,这里我们选择常用的Ateml公司的AT89C51。此时屏幕如图1-4所示。AT89C51有什么功能、特点呢?不用急,看图中右边有简单的介绍,稍后的章节会作较详细的介绍。完成上面步骤后,我们就可以进行程序的编写了。 (3)首先我们要在项目中创建新的程序文件或加入旧程序文件。如果你没有现成的程序,那么就要新建一个程序文件。在KEIL中有一些程序的Demo,在这里我们还是以一个C程序为例介绍如何新建一个C程序和如何加到您的第一个项目中吧。点击图1-5中1的新建文件的快捷按钮,在2中出现一个新的文字编辑窗口,这个操作也可以通过菜单File-New或快捷键Ctrl+N来实现。好了,现在可以编写程序了,光标已出现在文本编辑窗口中,等待我们的输入了。第一程序嘛,写个简单明了的吧。下面是经典的一段程序,呵,如果你看过别的程序书也许也有类似的程序:
#include <AT89X51.H> #include <stdio.h>
void main(void) { SCON = 0x50; //串口方式1,允许接收 TMOD = 0x20; //定时器1定时方式2 TCON = 0x40; //设定时器1开始计数 TH1 = 0xE8; //11.0592MHz 1200波特率 TL1 = 0xE8; TI = 1; TR1 = 1; //启动定时器
while(1) { printf ("Hello World!\n"); //显示Hello World } } |
 图1-4选取芯片  图1-5新建程序文件 |
|
这段程序的功能是不断从串口输出"Hello World!"字符,我们先不管程序的语法和意思吧,先看看如何把它加入到项目中和如何编译试运行。 (4)点击图1-5中的3保存新建的程序,也可以用菜单File-Save或快捷键Ctrl+S进行保存。因是新文件所以保存时会弹出类似图1-3的文件操作窗口,我们把第一个程序命名为test1.c,保存在项目所在的目录中,这时你会发现程序单词有了不同的颜色,说明KEIL的C语法检查生效了。如图1-6鼠标在屏幕左边的Source Group1文件夹图标上右击弹出菜单,在这里可以做在项目中增加减少文件等操作。我们?quot;Add File to Group 'Source Group 1'"弹出文件窗口,选择刚刚保存的文件,按ADD按钮,关闭文件窗,程序文件已加到项目中了。这时在Source Group1文件夹图标左边出现了一个小+号说明,文件组中有了文件,点击它可以展开查看。 |
 图1-6把文件加入到项目文件组中 |
|
(5)C程序文件已被我们加到了项目中了,下面就剩下编译运行了。这个项目我们只是用做学习新建程序项目和编译运行仿真的基本方法,所以使用软件默认的编译设置,它不会生成用于芯片烧写的HEX文件,如何设置生成HEX文件就请看下面的第三课。我们先来看图1-7吧,图中1、2、3都是编译按钮,不同是1是用于编译单个文件。2是编译当前项目,如果先前编译过一次之后文件没有做动编辑改动,这时再点击是不会再次重新编译的。3是重新编译,每点击一次均会再次编译链接一次,不管程序是否有改动。在3右边的是停止编译按钮,只有点击了前三个中的任一个,停止按钮才会生效。5是菜单中的它们,我个人就不习惯用它了。嘿嘿,这个项目只有一个文件,你按123中的一个都可以编译。按了?好快哦,呵呵。在4中可以看到编译的错误信息和使用的系统资源情况等,以后我们要查错就靠它了。6是有一个小放大镜的按钮,这就是开启\关闭调试模式的按钮,它也存在于菜单Debug-Start\Stop Debug Session,快捷键为Ctrl+F5。 |
 图1-7编译程序 |
|
(6)进入调试模式,软件窗口样式大致如图1-8所示。图中1为运行,当程序处于停止状态时才有效,2为停止,程序处于运行状态时才有效。3是复位,模拟芯片的复位,程序回到最开头处执行。按4我们可以打开5中的串行调试窗口,这个窗口我们可以看到从51芯片的串行口输入输出的字符,这里的第一个项目也正是在这里看运行结果。这些在菜单中也有,这里不再一一介绍大家不妨找找看,其它的功能也会在后面的课程中慢慢介绍。首先按4打开串行调试窗口,再按运行键,这时就可以看到串行调试窗口中不断的打?quot;Hello World!"。呵呵,是不是不难呀?这样就完成了您的第一个C项目。最后我们要停止程序运行回到文件编辑模式中,就要先按停止按钮再按开启\关闭调试模式按钮。然后我们就可以进行关闭KEIL等相关操作了。 到此为止,第一课已经完结了,初步学习了一些KEIL uVision2的项目文件创建、编译、运行和软件仿真的基本操作方法。其中一直有提到一些功能的快捷键的使用,的确在实际的开发应用中快捷键的运用可以大大提高工作的效率,建议大家多多使用,还有就是对这里所讲的操作方法举一反三用于类似的操作中。 |
 图1-8调试运行程序 |
|
第二课 初步认识51芯片 |
|
上一课我们的第一个项目完成了,可能有懂C语言的朋友会说,"这和PC机上的C语言没有多大的区别呀"。的确没有太大的区别,C语言只是一种程序语言的统称,针对不同的处理器相关的C语言都会有一些细节的改变。编写PC机的C程序时,如要对硬件编程你就必须对硬件要有一定的认识,51单片机编程就更是如此,因它的开发应用是不可与硬件脱节的,所以我们先要来初步认识一下51苾片的结构和引脚功能。MSC51架构的芯片种类很多,具体特点和功能不尽相同(在以后编写的附录中会加入常用的一些51芯片的资料列表),在此后的教程中就以Atmel公司的AT89C51和AT89C2051为中心对象来进行学习,两者是AT89系列的典型代表,在爱好者中使用相当的多,应用资料很多,价格便宜,是初学51的首选芯片。嘿嘿,口水多多有点卖广告之嫌了。:P |
|
|
|
图2-1 AT89C51和AT89C2051引脚功能图
|
AT89C51 |
AT89C2051 |
|
4KB可编程Flash存储器(可擦写1000次) |
2KB可编程Flash存储器(可擦写1000次) |
|
三级程序存储器保密 |
两级程序存储器保密 |
|
静态工作频率:0Hz-24MHz |
静态工作频率:0Hz-24MHz |
|
128字节内部RAM |
128字节内部RAM |
|
2个16位定时/计数器 |
2个16位定时/计数器 |
|
一个串行通讯口 |
一个串行通讯口 |
|
6个中断源 |
6个中断源 |
|
32条I/O引线 |
15条I/O引线 |
|
片内时种振荡器 |
1个片内模拟比较器 | |
|
表2-1 AT89C51和AT89C2051主要性能表
|
|
图2-1中是AT89C51和AT89C2051的引脚功能图。而表2-1中则是它们的主要性能表。以上可以看出它们是大体相同的,由于AT89C2051的IO线很少,导致它无法外加RAM和程序ROM,片内Flash存储器也少,但它的体积比AT89C51小很多,以后大家可根据实际需要来选用。它们各有其特点但其核心是一样的,下面就来看看AT89C51的引脚具体功能。 1.电源引脚 Vcc 40 电源端 GND 20 接地端 *工作电压为5V,另有AT89LV51工作电压则是2.7-6V, 引脚功能一样。
2.外接晶体引脚 |
|
|
|
图2-2 外接晶体引脚
|
|
XTAL1 19 XTAL2 18 XTAL1是片内振荡器的反相放大器输入端,XTAL2则是输出端,使用外部振荡器时,外部振荡信号应直接加到XTAL1,而XTAL2悬空。内部方式时,时钟发生器对振荡脉冲二分频,如晶振为12MHz,时钟频率就为6MHz。晶振的频率可以在1MHz-24MHz内选择。电容取30PF左右。 *型号同样为AT89C51的芯片,在其后面还有频率编号,有12,16,20,24MHz可选。大家在购买和选用时要注意了。如AT89C51 24PC就是最高振荡频率为24MHz,40P6封装的普通商用芯片。
3.复位 RST 9 在振荡器运行时,有两个机器周期(24个振荡周期)以上的高电平出现在此引腿时,将使单片机复位,只要这个脚保持高电平,51芯片便循环复位。复位后P0-P3口均置1引脚表现为高电平,程序计数器和特殊功能寄存器SFR全部清零。当复位脚由高电平变为低电平时,芯片为ROM的00H处开始运行程序。常用的复位电路如图2-3所示。 *复位操作不会对内部RAM有所影响。
|
|
|
|
图2-3 常用复位电路
|
|
4.输入输出引脚 (1) P0端口[P0.0-P0.7] P0是一个8位漏极开路型双向I/O端口,端口置1(对端口写1)时作高阻抗输入端。作为输出口时能驱动8个TTL。 对内部Flash程序存储器编程时,接收指令字节;校验程序时输出指令字节,要求外接上拉电阻。 在访问外部程序和外部数据存储器时,P0口是分时转换的地址(低8位)/数据总线,访问期间内部的上拉电阻起作用。 (2) P1端口[P1.0-P1.7] P1是一个带有内部上拉电阻的8位双向I/0端口。输出时可驱动4个TTL。端口置1时,内部上拉电阻将端口拉到高电平,作输入用。 对内部Flash程序存储器编程时,接收低8位地址信息。 (3) P2端口[P2.0-P2.7] P2是一个带有内部上拉电阻的8位双向I/0端口。输出时可驱动4个TTL。端口置1时,内部上拉电阻将端口拉到高电平,作输入用。 对内部Flash程序存储器编程时,接收高8位地址和控制信息。 在访问外部程序和16位外部数据存储器时,P2口送出高8位地址。而在访问8位地址的外部数据存储器时其引脚上的内容在此期间不会改变。 (4) P3端口[P3.0-P3.7] P2是一个带有内部上拉电阻的8位双向I/0端口。输出时可驱动4个TTL。端口置1时,内部上拉电阻将端口拉到高电平,作输入用。 对内部Flash程序存储器编程时,接控制信息。除此之外P3端口还用于一些专门功能,具体请看 表2-2.。 *P1-3端口在做输入使用时,因内部有上接电阻,被外部拉低的引脚会输出一定的电流。
|
|
P3引脚 |
兼用功能 |
|
P3.0 |
串行通讯输入(RXD) |
|
P3.1 |
串行通讯输出(TXD) |
|
P3.2 |
外部中断0( INT0) |
|
P3.3 |
外部中断1(INT1) |
|
P3.4 |
定时器0输入(T0) |
|
P3.5 |
定时器1输入(T1) |
|
P3.6 |
外部数据存储器写选通WR |
|
P3.7 |
外部数据存储器写选通RD | |
|
表2-2 P3端口引脚兼用功能表
|
|
呼!一口气说了那么多,停一下吧。嗯,什么?什么叫上拉电阻?上拉电阻简单来说就是把电平拉高,通常用4.7-10K的电阻接到Vcc电源,下拉电阻则是把电平拉低,电阻接到GND地线上。具体说明也不是这里要讨论的,接下来还是接着看其它的引脚功能吧。 5.其它的控制或复用引脚 (1) ALE/PROG 30 访问外部存储器时,ALE(地址锁存允许)的输出用于锁存地址的低位字节。即使不访问外部存储器,ALE端仍以不变的频率输出脉冲信号(此频率是振荡器频率的1/6)。在访问外部数据存储器时,出现一个ALE脉冲。对Flash存储器编程时,这个引脚用于输入编程脉冲PROG (2) PSEN 29 该引是外部程序存储器的选通信号输出端。当AT89C51由外部程序存储器取指令或常数时,每个机器周期输出2个脉冲即两次有效。但访问外部数据存储器时,将不会有脉冲输出。 (3) EA/Vpp 31 外部访问允许端。当该引脚访问外部程序存储器时,应输入低电平。要使AT89C51只访问外部程序存储器(地址为0000H-FFFFH),这时该引脚必须保持低电平。对Flash存储器编程时,用于施加Vpp编程电压。Vpp电压有两种,类似芯片最大频率值要根据附加的编号或芯片内的特征字决定。具体如表2-3所列。
|
|
|
Vpp = 12V |
Vpp = 5V |
|
印刷在芯片面上的型号 |
AT89C51
xxxx
YYWW |
AT89LV51
xxxx
YYWW |
AT89C51
xxxx-5
YYWW |
AT89LV51
xxxx-5
YYWW |
|
片内特征字 |
030H=1EH |
030H=1EH |
030H=1EH |
030H=1EH |
|
031H=51H |
031H=61H |
031H=51H |
031H=61H |
|
032H=FFH |
032H=FFH |
032H=05H |
032H=05H | |
|
表2-3 Vpp与芯片型号和片内特征字的关系
|
|
看到这您对AT89C51引脚的功能应该有了一定的了解了,引脚在编程和校验时的时序我们在这里就不做详细的探讨,通常情况下我们也没有必要去撑握它,除非你想自己开发编程器。下来的课程我们要开始以一些简单的实例来讲述C程序的语法和编写方法技巧,中间穿插相关的硬件知识如串口,中断的用法等等。
|
|
第三课 生成HEX文件和最小化系统 |
|
在开始C语言的主要内容时,我们先来看看如何用KEIL uVISION2来编译生成用于烧写芯片的HEX文件。HEX文件格式是Intel公司提出的按地址排列的数据信息,数据宽度为字节,所有数据使用16进制数字表示, 常用来保存单片机或其他处理器的目标程序代码。它保存物理程序存储区中的目标代码映象。一般的编程器都支持这种格式。我们先来打开第一课做的第一项目,打开它的所在目录,找到test.Uv2的文件就可以打开先前的项目了。然后右击图3-1中的1项目文件夹,弹出项目功能菜单,选Options for Target'Target1',弹出项目选项设置窗口,同样先选中项目文件夹图标,这时在Project菜单中也有一样的菜单可选。打开项目选项窗口,转到Output选项页图3-2所示,图中1是选择编译输出的路径,2是设置编译输出生成的文件名,3则是决定是否要创建HEX文件,选中它就可以输出HEX文件到指定的路径中。选好了?好,我们再将它重新编译一次,很快在编译信息窗口中就显示HEX文件创建到指定的路径中了,如图3-3。这样我们就可用自己的编程器所附带的软件去读取并烧到芯片了,再用实验板看结果,至于编程器或仿真器品种繁多具体方法就看它的说明书了,这里也不做讨论。 (技巧:一、在图3-1中的1里的项目文件树形目录中,先选中对象,再单击它就可对它进行重命名操作,双击文件图标便可打开文件。二、在Project下拉菜单的最下方有最近编辑过的项目路径保存,这里可以快速打开最近在编辑的项目。) |
 图3-1项目功能菜单  图3-2 项目选项窗口  图3-3 编译信息窗口 |
|
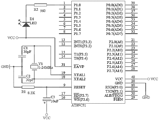
或许您已把编译好的文件烧到了芯片上,如果您购买或自制了带串口输出元件的学习实验板,那您就可以把串口和PC机串口相联用串口调试软件或Windows的超级终端,将其波特率设为1200,就可以看到不停输出的"Hello World!"字样。也许您还没有实验板,那这里先说说AT89C51的最小化系统,再以一实例程序验证最小化系统是否在运行,这个最小化系统也易于自制用于实验。图3-4便是AT89C51的最小化系统,不过为了让我们可以看出它是在运行的,我加了一个电阻和一个LED,用以显示它的状态,晶振可以根据自己的情况使用,一般实验板上是用11.0592MHz或12MHz,使用前者的好外是可以产生标准的串口波特率,后者则一个机器周期为1微秒,便于做精确定时。在自己做实验里,注意的是VCC是+5V的,不能高于此值,否则将损坏单片机,太低则不能正常工作。在31脚要接高电平,这样我们才能执行片内的程序,如接低电平则使用片外的程序存储器。下面,我们建一个新的项目名为OneLED来验证最小化系统是否可以工作(所有的例程都可在我的主页下面下载到,网址:http://cdle.yeah.net 或http://cdle.126.com )。程序如下: #include <AT89X51.h> //预处理命令
void main(void) //主函数名 { //这是第一种注释方式 unsigned int a; //定义变量a为int类型 /* 这是第二种注释方式 */ do{ //do while组成循环 for (a=0; a<50000; a++); //这是一个循环 P1_0 = 0; //设P1.0口为低电平,点亮LED for (a=0; a<50000; a++); //这是一个循环 P1_0 = 1; //设P1.0口为高电平,熄灭LED } while(1); }
|
 图3-4 AT89C51最小化系统 |
|
这里先讲讲KEIL C编译器所支持的注释语句。一种是以"//"符号开始的语句,符号之后的语句都被视为注释,直到有回车换行。另一种是在"/*"和"*/"符号之内的为注释。注释不会被C编译器所编译。一个C应用程序中应有一个main主函数,main函数可以调用别的功能函数,但其它功能函数不允许调用main函数。不论main函数放在程序中的那个位置,总是先被执行。用上面学到的知识编译写好的OneLED程序,并把它烧到刚做好的最小化系统中。上电,刚开始时LED是不亮的(因为上电复位后所有的IO口都置1引脚为高电平),然后延时一段时间(for (a=0; a<50000; a++)这句在运行),LED亮,再延时,LED熄灭,然后交替亮、灭。第一个真正的小应用就做完,呵呵,先不要管它是否实用哦。如果没有这样的效果那么您就要认真检查一下电路或编译烧写的步骤了。 |
|
第四课 数据类型 |
|
先来简单说说C语言的标识符和关键字。标识符是用来标识源程序中某个对象的名字的,这些对象可以是语句、数据类型、函数、变量、数组等等。C语言是大小字敏感的一种高级语言,如果我们要定义一个定时器1,可以写做"Timer1",如果程序中有"TIMER1",那么这两个是完全不同定义的标识符。标识符由字符串,数字和下划线等组成,注意的是第一个字符必须是字母或下划线,如"1Timer"是错误的,编译时便会有错误提示。有些编译系统专用的标识符是以下划线开头,所以一般不要以下划线开头命名标识符。标识符在命名时应当简单,含义清晰,这样有助于阅读理解程序。在C51编译器中,只支持标识符的前32位为有效标识,一般情况下也足够用了,除非你要写天书:P。 关键字则是编程语言保留的特殊标识符,它们具有固定名称和含义,在程序编写中不允许标识符与关键字相同。在KEIL uVision2中的关键字除了有ANSI C标准的32个关键字外还根据51单片机的特点扩展了相关的关键字。其实在KEIL uVision2的文本编辑器中编写C程序,系统可以把保留字以不同颜色显示,缺省颜色为天蓝色。 先看表4-1,表中列出了KEIL uVision2 C51编译器所支持的数据类型。在标准C语言中基本的数据类型为char,int,short,long,float和double,而在C51编译器中int和short相同,float和double相同,这里就不列出说明了。下面来看看它们的具体定义:
|
|
数据类型 |
长 度 |
值 域 |
|
unsigned char |
单字节 |
0~255 |
|
signed char |
单字节 |
-128~+127 |
|
unsigned int |
双字节 |
0~65535 |
|
signed int |
双字节 |
-32768~+32767 |
|
unsigned long |
四字节 |
0~4294967295 |
|
signed long |
四字节 |
-2147483648~+2147483647 |
|
float |
四字节 |
±1.175494E-38~±3.402823E+38 |
|
* |
1~3字节 |
对象的地址 |
|
bit |
位 |
0或1 |
|
sfr |
单字节 |
0~255 |
|
sfr16 |
双字节 |
0~65535 |
|
sbit |
位 |
0或1 |
表4-1 KEIL uVision2 C51编译器所支持的数据类型
|
|
1. char字符类型 char类型的长度是一个字节,通常用于定义处理字符数据的变量或常量。分无符号字符类型unsigned char和有符号字符类型signed char,默认值为signed char类型。unsigned char类型用字节中所有的位来表示数值,所可以表达的数值范围是0~255。signed char类型用字节中最高位字节表示数据的符号,"0"表示正数,"1"表示负数,负数用补码表示。所能表示的数值范围是-128~+127。unsigned char常用于处理ASCII字符或用于处理小于或等于255的整型数。 *正数的补码与原码相同,负二进制数的补码等于它的绝对值按位取反后加1。
2. int整型 int整型长度为两个字节,用于存放一个双字节数据。分有符号int整型数signed int和无符号整型数unsigned int,默认值为signed int类型。signed int表示的数值范围是-32768~+32767,字节中最高位表示数据的符号,"0"表示正数,"1"表示负数。unsigned int表示的数值范围是0~65535。
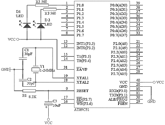
好了,先停一下吧,我们来写个小程序看看unsigned char和unsigned int用于延时的不同效果,说明它们的长度是不同的,呵,尽管它并没有实际的应用意义,这里我们学习它们的用法就行。依旧用我们上一课的最小化系统做实验,不过要加多一个电阻和LED,如图4-1。实验中用D1的点亮表明正在用unsigned int数值延时,用D2点亮表明正在用unsigned char数值延时。 |
 图4-1 第4课实验用电路 |
|
我们把这个项目称为TwoLED,实验程序如下: #include <AT89X51.h> //预处理命令
void main(void) //主函数名 { unsigned int a; //定义变量a为unsigned int类型 unsigned char b; //定义变量b为unsigned char类型
do { //do while组成循环 for (a=0; a<65535; a++) P1_0 = 0; //65535次设P1.0口为低电平,点亮LED P1_0 = 1; //设P1.0口为高电平,熄灭LED
for (a=0; a<30000; a++); //空循环
for (b=0; b<255; b++) P1_1 = 0; //255次设P1.1口为低电平,点亮LED P1_1 = 1; //设P1.1口为高电平,熄灭LED
for (a=0; a<30000; a++); //空循环 } while(1); }
同样编译烧写,上电运行您就可以看到结果了。很明显D1点亮的时间长于D2点亮的时间。程序中的循环延时时间并不是很好确定,并不太适合要求精确延时的场合,关于这方面我们以后也会做讨论。这里必须要讲的是,当定义一个变量为特定的数据类型时,在程序使用该变量不应使它的值超过数据类型的值域。如本例中的变量b不能赋超出0~255的值,如for (b=0; b<255; b++)改为for (b=0; b<256; b++),编译是可以通过的,但运行时就会有问题出现,就是说b的值永远都是小于256的,所以无法跳出循环执行下一句P1_1 = 1,从而造成死循环。同理a的值不应超出0~65535。大家可以烧片看看实验的运行结果,同样软件仿真也是可以看到结果的。
3. long长整型 long长整型长度为四个字节,用于存放一个四字节数据。分有符号long长整型signed long和无符号长整型unsigned long,默认值为signed long类型。signed int表示的数值范围是-2147483648~+2147483647,字节中最高位表示数据的符号,"0"表示正数,"1"表示负数。unsigned long表示的数值范围是0~4294967295。
4. float浮点型 float浮点型在十进制中具有7位有效数字,是符合IEEE-754标准的单精度浮点型数据,占用四个字节。因浮点数的结构较复杂在以后的章节中再做详细的讨论。 5.* 指针型 指针型本身就是一个变量,在这个变量中存放的指向另一个数据的地址。这个指针变量要占据一定的内存单元,对不同的处理器长度也不尽相同,在C51中它的长度一般为1~3个字节。指针变量也具有类型,在以后的课程中有专门一课做探讨,这里就不多说了。
6. bit位标量 bit位标量是C51编译器的一种扩充数据类型,利用它可定义一个位标量,但不能定义位指针,也不能定义位数组。它的值是一个二进制位,不是0就是1,类似一些高级语言中的Boolean类型中的True和False。
7. sfr特殊功能寄存器 sfr也是一种扩充数据类型,点用一个内存单元,值域为0~255。利用它可以访问51单片机内部的所有特殊功能寄存器。如用sfr P1 = 0x90这一句定P1为P1端口在片内的寄存器,在后面的语句中我们用以用P1 = 255(对P1端口的所有引脚置高电平)之类的语句来操作特殊功能寄存器。 *AT89C51的特殊功能寄存器表请看附录二
8.sfr16 16位特殊功能寄存器 sfr16占用两个内存单元,值域为0~65535。sfr16和sfr一样用于操作特殊功能寄存器,所不同的是它用于操作占两个字节的寄存器,好定时器T0和T1。
9. sbit可录址位 sbit同位是C51中的一种扩充数据类型,利用它可以访问芯片内部的RAM中的可寻址位或特殊功能寄存器中的可寻址位。如先前我们定义了 sfr P1 = 0x90; //因P1端口的寄存器是可位寻址的,所以我们可以定义 sbit P1_1 = P1^1; //P1_1为P1中的P1.1引脚 //同样我们可以用P1.1的地址去写,如sbit P1_1 = 0x91; 这样我们在以后的程序语句中就可以用P1_1来对P1.1引脚进行读写操作了。通常这些可以直接使用系统提供的预处理文件,里面已定义好各特殊功能寄存器的简单名字,直接引用可以省去一点时间,我自己是一直用的。当然您也可以自己写自己的定义文件,用您认为好记的名字。
关于数据类型转换等相关操作在后面的课程或程序实例中将有所提及。大家可以用所讲到的数据类型改写一下这课的实例程序,加深对各类型的认识。
|
|
|
|
附录一 C51中的关键字 |
|
关键字 |
用 途 |
说 明 |
|
auto |
存储种类说明 |
用以说明局部变量,缺省值为此 |
|
break |
程序语句 |
退出最内层循环 |
|
case |
程序语句 |
Switch语句中的选择项 |
|
char |
数据类型说明 |
单字节整型数或字符型数据 |
|
const |
存储类型说明 |
在程序执行过程中不可更改的常量值 |
|
continue |
程序语句 |
转向下一次循环 |
|
default |
程序语句 |
Switch语句中的失败选择项 |
|
do |
程序语句 |
构成do..while循环结构 |
|
double |
数据类型说明 |
双精度浮点数 |
|
else |
程序语句 |
构成if..else选择结构 |
|
enum |
数据类型说明 |
枚举 |
|
extern |
存储种类说明 |
在其他程序模块中说明了的全局变量 |
|
flost |
数据类型说明 |
单精度浮点数 |
|
for |
程序语句 |
构成for循环结构 |
|
goto |
程序语句 |
构成goto转移结构 |
|
if |
程序语句 |
构成if..else选择结构 |
|
int |
数据类型说明 |
基本整型数 |
|
long |
数据类型说明 |
长整型数 |
|
register |
存储种类说明 |
使用CPU内部寄存的变量 |
|
return |
程序语句 |
函数返回 |
|
short |
数据类型说明 |
短整型数 |
|
signed |
数据类型说明 |
有符号数,二进制数据的最高位为符号位 |
|
sizeof |
运算符 |
计算表达式或数据类型的字节数 |
|
static |
存储种类说明 |
静态变量 |
|
struct |
数据类型说明 |
结构类型数据 |
|
swicth |
程序语句 |
构成switch选择结构 |
|
typedef |
数据类型说明 |
重新进行数据类型定义 |
|
union |
数据类型说明 |
联合类型数据 |
|
unsigned |
数据类型说明 |
无符号数数据 |
|
void |
数据类型说明 |
无类型数据 |
|
volatile |
数据类型说明 |
该变量在程序执行中可被隐含地改变 |
|
while |
程序语句 |
构成while和do..while循环结构 |
|
|
关键字 |
用 途 |
说 明 |
|
bit |
位标量声明 |
声明一个位标量或位类型的函数 |
|
sbit |
位标量声明 |
声明一个可位寻址变量 |
|
Sfr |
特殊功能寄存器声明 |
声明一个特殊功能寄存器 |
|
Sfr16 |
特殊功能寄存器声明 |
声明一个16位的特殊功能寄存器 |
|
data |
存储器类型说明 |
直接寻址的内部数据存储器 |
|
bdata |
存储器类型说明 |
可位寻址的内部数据存储器 |
|
idata |
存储器类型说明 |
间接寻址的内部数据存储器 |
|
pdata |
存储器类型说明 |
分页寻址的外部数据存储器 |
|
xdata |
存储器类型说明 |
外部数据存储器 |
|
code |
存储器类型说明 |
程序存储器 |
|
interrupt |
中断函数说明 |
定义一个中断函数 |
|
reentrant |
再入函数说明 |
定义一个再入函数 |
|
using |
寄存器组定义 |
定义芯片的工作寄存器 |
|
|
附录二 AT89C51特殊功能寄存器列表(适用于同一架构的芯片) |
|
符 号 |
地 址 |
注 释 |
|
*ACC |
E0H |
累加器 |
|
*B |
F0H |
乘法寄存器 |
|
*PSW |
D0H |
程序状态字 |
|
SP |
81H |
堆栈指针 |
|
DPL |
82H |
数据存储器指针低8位 |
|
DPH |
83H |
数据存储器指针高8位 |
|
*IE |
A8H |
中断允许控制器 |
|
*IP |
D8H |
中断优先控制器 |
|
*P0 |
80H |
端口0 |
|
*P1 |
90H |
端口1 |
|
*P2 |
A0H |
端口2 |
|
*P3 |
B0H |
端口3 |
|
PCON |
87H |
电源控制及波特率选择 |
|
*SCON |
98H |
串行口控制器 |
|
SBUF |
99H |
串行数据缓冲器 |
|
*TCON |
88H |
定时器控制 |
|
TMOD |
89H |
定时器方式选择 |
|
TL0 |
8AH |
定时器0低8位 |
|
TL1 |
8BH |
定时器1低8位 |
|
TH0 |
8CH |
定时器0低8位 |
|
TH1 |
8DH |
定时器1高8位 |
|
|
第五课 常量 |
|
上一节我们学习了KEIL C51编译器所支持的数据类型。而这些数据类型又是怎么用在常量和变量的定义中的呢?又有什么要注意的吗?下面就来看看吧。晕!你还区分不清楚什么是常量,什么是变量。常量是在程序运行过程中不能改变值的量,而变量是可以在程序运行过程中不断变化的量。变量的定义可以使用所有C51编译器支持的数据类型,而常量的数据类型只有整型、浮点型、字符型、字符串型和位标量。这一节我们学习常量定义和用法,而下一节则学习变量。 常量的数据类型说明是这样的 1. 整型常量可以表示为十进制如123,0,-89等。十六进制则以0x开头如0x34,-0x3B等。长整型就在数字后面加字母L,如104L,034L,0xF340等。 2. 浮点型常量可分为十进制和指数表示形式。十进制由数字和小数点组成,如0.888,3345.345,0.0等,整数或小数部分为0,可以省略但必须有小数点。指数表示形式为[±]数字[.数字]e[±]数字,[]中的内容为可选项,其中内容根据具体情况可有可无,但其余部分必须有,如125e3,7e9,-3.0e-3。 3. 字符型常量是单引号内的字符,如'a','d'等,不可以显示的控制字符,可以在该字符前面加一个反斜杠"\"组成专用转义字符。常用转义字符表请看表5-1。 4. 字符串型常量由双引号内的字符组成,如"test","OK"等。当引号内的没有字符时,为空字符串。在使用特殊字符时同样要使用转义字符如双引号。在C中字符串常量是做为字符类型数组来处理的,在存储字符串时系统会在字符串尾部加上\o转义字符以作为该字符串的结束符。字符串常量"A"和字符常量'A'是不同的,前者在存储时多占用一个字节的字间。 5. 位标量,它的值是一个二进制。
|
|
转义字符 |
含义 |
ASCII码(16/10进制) |
|
\o |
空字符(NULL) |
00H/0 |
|
\n |
换行符(LF) |
0AH/10 |
|
\r |
回车符(CR) |
0DH/13 |
|
\t |
水平制表符(HT) |
09H/9 |
|
\b |
退格符(BS) |
08H/8 |
|
\f |
换页符(FF) |
0CH/12 |
|
\' |
单引号 |
27H/39 |
|
\" |
双引号 |
22H/34 |
|
\\ |
反斜杠 |
5CH/92 |
|
|
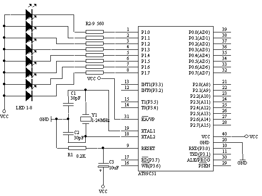
常量可用在不必改变值的场合,如固定的数据表,字库等。常量的定义方式有几种,下面来加以说明。 #difine False 0x0; //用预定义语句可以定义常量 #difine True 0x1; //这里定义False为0,True为1 //在程序中用到False编译时自动用0替换,同理True替换为1 unsigned int code a=100; //这一句用code把a定义在程序存储器中并赋值 const unsigned int c=100; //用const定义c为无符号int常量并赋值 以上两句它们的值都保存在程序存储器中,而程序存储器在运行中是不允许被修改的,所以如果在这两句后面用了类似a=110,a++这样的赋值语句,编译时将会出错。 说了一通还不如写个程序来实验一下吧。写什么程序呢?跑马灯!对,就写这个简单易懂的吧,这个也好说明典型的常量用法。先来看看电路图吧。它是在我们上一课的实验电路的基础上增加6个LED组成的,也就是用P1口的全部引脚分别驱动一个LED,电路如图5-1所示。 新建一个RunLED的项目,主程序如下: #include <AT89X51.H> //预处理文件里面定义了特殊寄存器的名称如P1口定义为P1 void main(void) { //定义花样数据 cons tunsigned char design[32]={0xFF,0xFE,0xFD,0xFB,0xF7,0xEF,0xDF,0xBF,0x7F, 0x7F,0xBF,0xDF,0xEF,0xF7,0xFB,0xFD,0xFE,0xFF, 0xFF,0xFE,0xFC,0xF8,0xF0,0xE0,0xC0,0x80,0x0, 0xE7,0xDB,0xBD,0x7E,0xFF}; unsigned int a; //定义循环用的变量 unsigned char b; //在C51编程中因内存有限尽可能注意变量类型的使用 //尽可能使用少字节的类型,在大型的程序中很受用 do{ for (b=0; b<32; b++) { for(a=0; a<30000; a++); //延时一段时间 P1 = design[b]; //读已定义的花样数据并写花样数据到P1口 } }while(1); } 程序中的花样数据可以自以去定义,因这里我们的LED要AT89C51的P1引脚为低电平才会点亮,所以我们要向P1口的各引脚写数据O对应连接的LED才会被点亮,P1口的八个引脚刚好对应P1口特殊寄存器的八个二进位,如向P1口定数据0xFE,转成二进制就是11111110,最低位D0为0这里P1.0引脚输出低电平,LED1被点亮。如此类推,大家不难算出自己想要做的效果了。大家编译烧写看看,效果就出来,显示的速度您可以根据需要调整延时a的值,不要超过变量类型的值域就很行了。哦,您还没有实验板?那如何可以知道程序运行的结果呢?呵,不用急,这就来说说用KEIL uVision2的软件仿真来调试IO口输出输入程序。
|
 图5-1 八路跑马灯电路 |
|
编译运行上面的程序,然后按外部设备菜单Peripherals-I/O Ports-Port1就打开Port1的调试窗口了,如图5-3中的2。这时程序运行了,但我们并不能在Port1调试窗口上看到有会什么效果,这时我们可以用鼠标左击图5-3中1旁边绿色的方条,点一下就有一个小红方格在点一下又没有了,哪一句语句前有小方格程序运行到那一句时就停止了,就是设置调试断点,同样图5-2中的1也是同样功能,分别是增加/移除断点、移除所有断点、允许/禁止断点、禁止所有断点,菜单也有一样的功能,另外菜单中还有Breakpoints可打开断点设置窗口它的功能更强大,不过我们这里先不用它。我们?quot;P1 = design[b];"这一句设置一个断点这时程序运行到这里就停住了,再留意一下Port1调试窗口,再按图5-2中的2的运行键,程序又运行到设置断点的地方停住了,这时Port1调试窗口的状态又不同了。也就是说Port1调试窗口模拟了P1口的电平状态,打勾为高电平,不打勾则为低电平,窗口中P1为P1寄存器的状态,Pins为引脚的状态,注意的是如果是读引脚值必须把引脚对应的寄存器置1才能正确读取。图5-2中2旁边的{}样的按钮分别为单步入,步越,步出和执行到当前行。图中3为显示下一句将要执行的语句。图5-3中的3是Watches窗口可查看各变量的当前值,数组和字串是显示其头一个地址,如本例中的design数组是保存在code存储区的首地址为D:0x08,可以在图中4 Memory存储器查看窗口中的Address地址中打入D:0x08就可以查看到design各数据和存放地址了。如果你的uVision2没有显示这些窗口,可以在View菜单中打开在图5-2中3后面一栏的查看窗口快捷栏中打开。
|
 图5-2 调试用快捷菜单栏 |
 图5-3 各调试窗口 |
|
第六课 变量 |
|
上课所提到变量就是一种在程序执行过程中其值能不断变化的量。要在程序中使用变量必须先用标识符作为变量名,并指出所用的数据类型和存储模式,这样编译系统才能为变量分配相应的存储空间。定义一个变量的格式如下: [存储种类] 数据类型 [存储器类型] 变量名表 在定义格式中除了数据类型和变量名表是必要的,其它都是可选项。存储种类有四种:自动(auto),外部(extern),静态(static)和寄存器(register),缺省类型为自动(auto)。这些存储种类的具体含义和用法,将在第七课《变量的存储》中进一步进行学习。 而这里的数据类型则是和我们在第四课中学习到的名种数据类型的定义是一样的。说明了一个变量的数据类型后,还可选择说明该变量的存储器类型。存储器类型的说明就是指定该变量在C51硬件系统中所使用的存储区域,并在编译时准确的定位。表6-1中是KEIL uVision2所能认别的存储器类型。注意的是在AT89C51芯片中RAM只有低128位,位于80H到FFH的高128位则在52芯片中才有用,并和特殊寄存器地址重叠。特殊寄存器(SFR)的地址表请看附录二 AT89C51特殊功能寄存器列表
|
|
存储器类型 |
说 明 |
|
data |
直接访问内部数据存储器(128字节),访问速度最快 |
|
bdata |
可位寻址内部数据存储器(16字节),允许位与字节混合访问 |
|
idata |
间接访问内部数据存储器(256字节),允许访问全部内部地址 |
|
pdata |
分页访问外部数据存储器(256字节),用MOVX @Ri指令访问 |
|
xdata |
外部数据存储器(64KB),用MOVX @DPTR指令访问 |
|
code |
程序存储器(64KB),用MOVC @A+DPTR指令访问 |
表6-1 存储器类型
|
|
如果省略存储器类型,系统则会按编译模式SMALL,COMPACT或LARGE所规定的默认存储器类型去指定变量的存储区域。无论什么存储模式都可以声明变量在任何的8051存储区范围,然而把最常用的命令如循环计数器和队列索引放在内部数据区可以显著的提高系统性能。还有要指出的就是变量的存储种类与存储器类型是完全无关的。 SMALL存储模式把所有函数变量和局部数据段放在8051系统的内部数据存储区这使访问数据非常快,但SMALL存储模式的地址空间受限。在写小型的应用程序时,变量和数据放在data内部数据存储器中是很好的因为访问速度快,但在较大的应用程序中data区最好只存放小的变量、数据或常用的变量(如循环计数、数据索引),而大的数据则放置在别的存储区域。 COMPACT存储模式中所有的函数和程序变量和局部数据段定位在8051系统的外部数据存储区。外部数据存储区可有最多256字节(一页),在本模式中外部数据存储区的短地址用@R0/R1。 LARGE存储模式所有函数和过程的变量和局部数据段都定位在8051系统的外部数据区外部数据区最多可有64KB,这要求用DPTR数据指针访问数据。 之前提到简单提到sfr,sfr16,sbit定义变量的方法,下面我们再来仔细看看。 sfr和sfr16可以直接对51单片机的特殊寄存器进行定义,定义方法如下: sfr 特殊功能寄存器名= 特殊功能寄存器地址常数; sfr16 特殊功能寄存器名= 特殊功能寄存器地址常数; 我们可以这样定义AT89C51的P1口 sfr P1 = 0x90; //定义P1 I/O口,其地址90H sfr关键定后面是一个要定义的名字,可任意选取,但要符合标识符的命名规则,名字最好有一定的含义如P1口可以用P1为名,这样程序会变的好读好多。等号后面必须是常数,不允许有带运算符的表达式,而且该常数必须在特殊功能寄存器的地址范围之内(80H-FFH),具体可查看附录中的相关表。sfr是定义8位的特殊功能寄存器而sfr16则是用来定义16位特殊功能寄存器,如8052的T2定时器,可以定义为: sfr16 T2 = 0xCC; //这里定义8052定时器2,地址为T2L=CCH,T2H=CDH 用sfr16定义16位特殊功能寄存器时,等号后面是它的低位地址,高位地址一定要位于物理低位地址之上。注意的是不能用于定时器0和1的定义。 sbit可定义可位寻址对象。如访问特殊功能寄存器中的某位。其实这样应用是经常要用的如要访问P1口中的第2个引脚P1.1。我们可以照以下的方法去定义: (1)sbit 位变量名=位地址 sbit P1_1 = Ox91; 这样是把位的绝对地址赋给位变量。同sfr一样sbit的位地址必须位于80H-FFH之间。 (2)Sbit 位变量名=特殊功能寄存器名^位位置 sft P1 = 0x90; sbit P1_1 = P1 ^ 1; //先定义一个特殊功能寄存器名再指定位变量名所在的位置 当可寻址位位于特殊功能寄存器中时可采用这种方法 (3)sbit 位变量名=字节地址^位位置 sbit P1_1 = 0x90 ^ 1; 这种方法其实和2是一样的,只是把特殊功能寄存器的位址直接用常数表示。 在C51存储器类型中提供有一个bdata的存储器类型,这个是指可位寻址的数据存储器,位于单片机的可位寻址区中,可以将要求可位录址的数据定义为bdata,如: unsigned char bdata ib; //在可位录址区定义ucsigned char类型的变量ib int bdata ab[2]; //在可位寻址区定义数组ab[2],这些也称为可寻址位对象 sbit ib7=ib^7 //用关键字sbit定义位变量来独立访问可寻址位对象的其中一位 sbit ab12=ab[1]^12; 操作符"^"后面的位位置的最大值取决于指定的基址类型,char0-7,int0-15,long0-31。 下面我们用上一课的电路来实践一下这一课的知识。同样是做一下简单的跑马灯实验,项目名为RunLED2。程序如下:
sfr P1 = 0x90; //这里没有使用预定义文件, sbit P1_0 = P1 ^ 0; //而是自己定义特殊寄存器 sbit P1_7 = 0x90 ^ 7; //之前我们使用的预定义文件其实就是这个作用 sbit P1_1 = 0x91; //这里分别定义P1端口和P10,P11,P17引脚
void main(void) { unsigned int a; unsigned char b; do{ for (a=0;a<50000;a++) P1_0 = 0; //点亮P1_0 for (a=0;a<50000;a++) P1_7 = 0; //点亮P1_7 for (b=0;b<255;b++) { for (a=0;a<10000;a++) P1 = b; //用b的值来做跑马灯的花样 } P1 = 255; //熄灭P1上的LED for (b=0;b<255;b++) { for (a=0;a<10000;a++) //P1_1闪烁 P1_1 = 0; for (a=0;a<10000;a++) P1_1 = 1; } }while(1); } | |
|
第七课 运算符和表达式(1) |
|
上课到这一课相隔了好长一段时间,这些日子里收到不少网友的来信支持和鼓励,要求尽快完成余下的部分。出门在外的人不得不先为吃饭而努力,似乎这也成为我的借口,以后每晚抽空打一些吧这样大家也就可以不用隔太久就能看到一些新东西。或许我的笔记并不是很正确,但我尽量的保证每课的实验都会亲自做一次,包括硬件的部分,已求不会误人子弟。 随着访问量不断的增加,网站已启用了www.cdle.net的国际域名,在这里我感谢各位一直支持磁动力工作室的朋友,更要感激身在远方一直默默支持我的女友。 明浩 2003-7-14 晚 呵,费话少说了。上两课说了常量和变量,先来补充一个用以重新定义数据类型的的语句吧。这个语句就是typedef,这是个很好用的语句,但我自己却不常用它,通常我定义变量的数据类型时都是使用标准的关键字,这样别人可以很方便的研读你的程序。如果你是个DELPHI编程爱好者或是程序员,你对变量的定义也许习惯了DELPHI的关键字,如int类型常会用关键字Integer来定义,在用C51时你还想用回这个的话,你可以这样写: typedef int integer; integer a,b;
这两句在编译时,其实是先把integer定义为int,在以后的语句中遇到integer就用int置换,integer就等于int,所以a,b也就被定义为int。typedef不能直接用来定义变量,它只是对已有的数据类型作一个名字上的置换,并不是产生一个新的数据类型。下面两句就是一个错误的例子: typedef int integer; integer = 100;
使用typedef可以有方便程序的移植和简化较长的数据类型定义。用typedef还可以定义结构类型,这一点在后面详细解说结构类型时再一并说明。typedef的语法是 typedef 已有的数据类型 新的数据类型名
运算符就是完成某种特定运算的符号。运算符按其表达式中与运算符的关系可分为单目运算符,双目运算符和三目运算符。单目就是指需要有一个运算对象,双目就要求有两个运算对象,三目则要三个运算对象。表达式则是由运算及运算对象所组成的具有特定含义的式子。C是一种表达式语言,表达式后面加";"号就构成了一个表达式语句。
赋值运算符 对于"="这个符号大家不会陌生的,在C中它的功能是给变量赋值,称之为赋值运算符。它的作用不用多说大家也明白,就是但数据赋给变量。如,x=10;由此可见利用赋值运算符将一个变量与一个表达式连接起来的式子为赋值表达式,在表达式后面加";"便构成了赋值语句。使用"="的赋值语句格式如下: 变量 = 表达式; 示例如下 a = 0xFF; //将常数十六进制数FF赋于变量a b = c = 33; //同时赋值给变量b,c d = e; //将变量e的值赋于变量d f = a+b; //将变量a+b的值赋于变量f
由上面的例子可以知道赋值语句的意义就是先计算出"="右边的表达式的值,然后将得到的值赋给左边的变量。而且右边的表达式可以是一个赋值表达式。 在一些朋友的来信中会出现"=="与"="这两个符号混淆的错误原码,问为何编译报错,往往就是错在if (a=x)之类的语句中,错将"="用为"=="。"=="符号是用来进行相等关系运算。
算术,增减量运算符 对于a+b,a/b这样的表达式大家都很熟悉,用在C语言中,+,/,就是算术运算符。C51中的算术运算符有如下几个,其中只有取正值和取负值运算符是单目运算符,其它则都是双目运算符: + 加或取正值运算符 - 减或取负值运算符 * 乘运算符 / 除运算符 % 取余运算符 算术表达式的形式: 表达式1 算术运算符 表达式2
如:a+b*(10-a), (x+9)/(y-a)
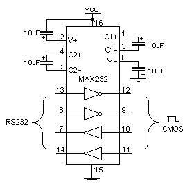
除法运算符和一般的算术运算规则有所不同,如是两浮点数相除,其结果为浮点数,如10.0/20.0所得值为0.5,而两个整数相除时,所得值就是整数,如7/3,值为2。像别的语言一样C的运算符与有优先级和结合性,同样可用用括号"()"来改变优先级。这些和我们小时候学的数学几乎是一样的,我也不必过多的说明了。 :( 还有这么多运算符呀!暂时停一停吧,我们先来做一个实验吧。学习运算符和另外一些知识时,我们还是给我们的实验板加个串行接口吧。借助电脑转件直观的看单片机的输出结果,以后我还会用一些简单的实例讲解单片机和PC串口通讯的简单应用和编程。如果你用的是成品实验板或仿真器,那你就可以跳过这一段了。 在制作电路前我们先来看看要用的MAX232,这里我们不去具体讨论它,只要知道它是TTL和RS232电平相互转换的芯片和基本的引脚接线功能就行了。通常我会用两个小功率晶体管加少量的电路去替换MAX232,可以省一点,效果也不错(如有兴趣可以查看http://www.cdle.net网站中的相关资料)。下图就是MAX232的基本接线图。
|
|
 图7-1 MAX232
|
|
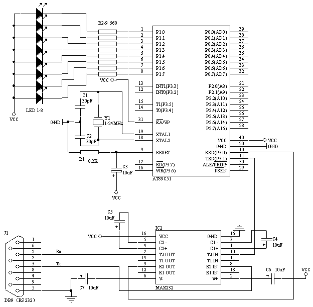
在上两课的电路的基础上按图7-3加上MAX232就可以了。这大热天的拿烙铁焊焊,还真的是热气迫人来呀:P串口座用DB9的母头,这样就可以用买来的PC串口延长线进行和电脑相连接,也可以直接接到电脑com口上。
|
 图7-2 DB9接头 |
 图7-3 加上了MAX232的实验电路 |
|
做好后我们就> |
 图7-3 加上了MAX232的实验电路 |
|
做好后我们就先用回第一课的"Hello World!"程序,用它来和你的电脑说声Hello!把程序烧到芯片上,把串口连接好。嘿嘿,这时要打开你的串口调试软件,没有就赶快到网上DOWN一个了。你会用Windows的超级中端也行,不过我从不用它。我用http://emouze.com的comdebug,它是个不错的软件,我喜欢它是因为它功能好而且还有"线路状态"功能,这对我制作小玩意时很有用。串口号,波特率调好,打开串口,单片机上电,就可以在接收区看到不断出现的"Hello World!"。一定要先打开软件的串口,再把单片机上电,否则可能因字符不对齐而看到乱码哦。
|
|
| 先用回第一课的"Hello World!"程序,用它来和你的电脑说声Hello!把程序烧到芯片上,把串口连接好。嘿嘿,这时要打开你的串口调试软件,没有就赶快到网上DOWN一个了。你会用Windows的超级中端也行,不过我从不用它。我用http://emouze.com的comdebug,它是个不错的软件,我喜欢它是因为它功能好而且还有"线路状态"功能,这对我制作小玩意时很有用。串口号,波特率调好,打开串口,单片机上电,就可以在接收区看到不断出现的"Hello World!"。一定要先打开软件的串口,再把单片机上电,否则可能因字符不对齐而看到乱码哦。 |