注意:访问本站需要Cookie和JavaScript支持!请设置您的浏览器! 打开购物车 查看留言付款方式联系我们
初中电子 单片机教材一 单片机教材二
搜索上次看见的商品或文章:
商品名、介绍 文章名、内容
首页 电子入门 学单片机 免费资源 下载中心 商品列表 象棋在线 在线绘图 加盟五一 加入收藏 设为首页
本站推荐:
200米四键遥控模块
文章长度[12932] 加入时间[2006/7/1] 更新时间[2026/3/21 10:35:21] 级别[3] [评论] [收藏]





    这是一种目前用途非常广泛的200米四键遥控模块,常用于报警器设防、车库门遥控、摩托车、汽车的防盗报警等,这类用途要求遥控器的遥控距离并不远,一般50米足够了,但要求:遥控模块价格低廉,发射机手柄体积小巧、外观精致,耗电尽可能省,工作稳定可靠。

    这里提供的发射机体积非常小巧,体积只有58x38x8毫米,采用桃木花纹的优质塑料外壳,带保险盖,防止误碰按键,天线拉出时长13厘米,遥控器只有20克。






点击放大 

外形尺寸:58x38.5x13毫米 发射功率:20毫瓦 工作电流:14毫安
工作电压:12V A27报警器专用电池


20元一个 颜色可选桃木色和白色默认发货桃木色


    图为发射器外形,面板上有A、B、C、D四位操纵按键及一个发射指示灯。发射机内部采用进口声表谐振器稳频,频率一致性非常好,稳定度极高,工作频率315MHZ频率稳定度优于10-5,使用中无需调整频点,特别适合多发一收等无线电遥控系统使用,而目前市场上的一些低价位无线电遥控模块一般仍采用LC振荡器,稳定度及一致性较差,即使采用高品质微调电容,当温度变化或者震动后也很难保证已调试好的频点不会发生偏移,造成发射距离缩短。

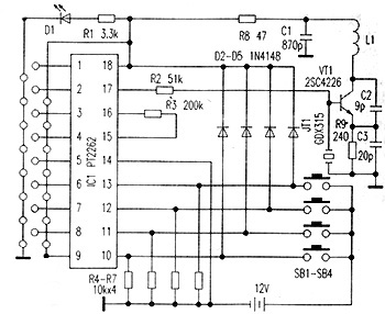
这是发射机等效电路图

接收板:频率315MHZ/振荡电阻200K/编解码芯片均兼容PT2262/2272系列

    接收模块从工作方式分,可以分成超外差接收板和超再生接收板。超再生式接收机具有电路简单、性能适中、成本低廉的优点所以在实际应用中被广泛采用。


这是超再生接收机等效电路图  


   接收模块采用SMD贴片工艺制造生产,为超再生接收方式,它内含放大整形及解码电路,使用极为方便。
    1。天线输入端有选频电路,而不依赖1/4波长天线的选频作用,控制距离较近时可以剪短甚至去掉外接天线
    2。接收电路自身辐射极小,加上电路模块背面网状接地铜箔的屏蔽作用,可以减少自身振荡的泄漏和外界干扰信号的侵入。
    3。接收机采用高精度带骨架的铜芯电感将频率调整到315M后封固,这与采用可调电容调整接收频率的电路相比,温度、湿 度稳定性及抗机械振动性能都有极大改善。可调电容调整精度较低,只有3/4圈的调整范围,而可调电感可以做到多圈调整。可调电容调整完毕后无法封固,因为无论导体还是绝缘体,各种介质的靠近或侵入都会使电容的容量发生变化,进而影响接收频率。另外未经封固的可调电容在受到振动时定片和动片之间发生位移;温度变化时热胀冷缩会使定片和动片间距离改变;湿度变化因介质变化改变容量;长期工作在潮湿环境中还会因定片和动片的氧化改变容量,这些都会严重影响接收频率的稳定性,而采用可调电感就可解决这些问题,因为电感可以在调整完毕后进行封固,绝缘体封固剂不会使电感量发生变化,而且由于采用贴片工艺,所以即使强烈震动也不必担心接收频点漂移,接收电路的接收带宽约500KHz,产品出厂时已经将中心频率调整在315MHz,接收芯片上的微调电感约有5MHz频率的可调范围,使用时不要轻易变动,以免影响性能。


点击放大 体积:48x20x8毫米


使用时模块的ANT焊盘要焊接一根23厘米的天线


接收板A-L4 超再生锁存型长方形接收板: (15元一个)


    超再生接收模块有七个引出端,分别为10、11、12、13、GND、17、VCC,其中VCC为5V供电端,GND为接地端, 17端为解码有效输出端,10、11、12、13是解码芯片PT2272(SC2272)集成电路的10~13脚,为四位数据锁存输出端,有信号时能输出5V左右的高电平,驱动电流约2mA,与发射器上的四为个按键一一相对应。


    接收板A-L4用途最广泛,所以默认供货时供这款。


接收板A-M4 超再生非锁存型长方形接收板:(15元一个)


    接收板A-M4和L4的区别在于输出的数据是非锁存的,有遥控信号是数据脚是高电平,遥控信号消失时数据脚立即恢复为低电平。


接收板A-T4 超再生触发翻转型长方形接收板:(16元一个)


    接收板A-T4是新开发的产品,它的数据脚能实现触发翻转工作逻辑,也就是按一下遥控器A键,接收板的第10脚变成高电平并保持,再按一下遥控器A键,接收板的第10脚变成低电平并保持。


    超再生接收板从外形上区分还有长方形接收板正方形接收板,长方形的接收板和主板是垂直焊接的,接收板建议放在主板的边缘,并且尽量远离大的金属物体,正方形的接收板和主板是水平焊接的。客户可以根据实际需要选用最适合的接收板。 正方形的接收板 可以分为L4和M4两种,请客户购买是明确说明。


接收板ZA-L4 超再生锁存型正方形接收板: (15元一个)


超外差系列


    超外差接收机价格较高,温度适应性强,接收灵敏度更高,而且工作稳定可靠,抗干扰能力强,产品的一致性好,接收机本振辐射低,无二次辐射,性能指标好,容易通过FCC或者CE等标准的检测,符合工业使用规范

    这里提供的超外差接收板采用进口高性能无线遥控及数传专用集成电路RX3310A,并且采用316.8MHZ的声表谐振器,所以工作稳定可靠,适合比较恶劣的环境下全天候工作。


    超外差接收板左侧的ANT是天线端,旁边的GND为天线地端,最好能配接特性阻抗为50欧姆的天线,也可以用一根30厘米长的导线直接接到ANT端替代天线。
    
RX3310A集成电路介绍:

    RX3310A是台湾HMARK公司生产的专门用于幅度键控ASK调制的无线遥控及数传信号的接收集成电路,内含低噪音高频放大、混频器、本机振荡、中频放大器、中频滤波器、比较器等,为一次变频超外差电路,双列18脚宽体贴片封装,主要技术指标如下:

工作频率:150~450MHZ
工作电压:2.7~6V
工作电流:2.6毫安(3V电源时)
接收灵敏度:-105DBM(1K数据速率而且天线匹配时)
最高数据速率:9.6KBPS

超外差接收芯片RX3310A使用开发资料


    

    从外接天线接收的信号经C10耦合到L2、C11组成的选频网络进行阻抗变换后输入RX3310的内部高频放大器输入端14脚,经芯片内的高频放大后(增益为15~20DB)的信号再经混频器与本机振荡信号(316.8M)混频,产生1.8M的中频信号,此中频信号经内部中频放大后由第3脚输出,再进入比较器放大整形,最后数据从第8脚输出。

    超外差接收机对天线的阻抗匹配要求较高,要求外接天线的阻抗必须是50欧姆的,否则对接收灵敏度有很大的影响,所以如果用1/4波长的普通导线时应为23厘米最佳,要尽可能减少天线根部到发射模块天线焊接处的引线长度,如果无法减小,可以用特性阻抗50欧姆的射频同轴电缆连接(天线焊点右侧有一个专门的接地焊点)


    通常超再生接收机的灵敏度约-106DBM,所用器件多,稳定性差,加工复杂,而使用RX3310A的超外差接收机灵敏度可达-102DBM,而且外围元件少,集成化程度高,适合大规模生产。超外差接收机有声表稳频和LC稳频的两种,采用LC稳频的灵敏度高可达-104DBM,但是稳定性稍差,而声表稳频的灵敏度约-102DBM,稳定性好,这里提供的超外差接收机都为声表稳频的。


点击放大


使用时模块的ANT焊盘要焊接一根23厘米的天线


接收板B-L4 超外差插针式锁存型接收板:41x24x6毫米(25元一个)

接收板B-M4 超外差插针式非锁存接收板:41x24x6毫米(25元一个)

应用举例


    发射手柄上设置有四个按键,当按动时发射机上的按键,发射电路会被激活而进入发射状态,发射机静态时不耗电。机内装配的电池只被用于点发射状态。当用于报警设定和电器开关时,每节电池一般可用到一年以上,电池的容量为45mAH。


  


    我们为了测试遥控模块工作是否正常,可以在接收模块的VCC和GND端加一个5~6伏的直流电压,也可以通78L05三端稳压芯片稳压获得5伏稳压工作电源,在10、11、12、13、17端分别对地接一个发光二极管(发光二极管负极接地)这里提供的遥控模块的接收机都是锁存型的,也就是说能够保持遥控信号的瞬间状态,假设我们按动发射机的A按键时,与其对应11路的LED即可发光,松开发射机的A按键,11路的LED仍然点亮处于自保持状态(锁存),直到按动其它的按键如B键时,11熄灭而12处的LED点亮。17端是解码有效输出端,不论按动发射机的哪一个按键,只要解码成功即17端变成高电平,直到发射机停止发射。

接收板1J-L4 多用途单继电器遥控接收板
(接收板25元一个,不含外壳)

    这是我们新开发的多用途单继电器遥控接收板,可以和网站介绍的100米四键遥控器、200米四键遥控器、800米四键遥控器、2000米四键遥控器、500米紧急按钮等配合使用。


    用途:用于遥控一个电路的开和关,或者一盏灯的亮与灭。



    这款接收板上有一个4位的跳线柱,用于切换选择四路遥控信号中的其中一路(例如遥控器按键A/B/C/D中的A键)另外有一个2位的跳线柱,用于切换选择锁存或者非锁存模式。所谓锁存模式就是按下A键,接收板的继电器吸合并保持,只有按下B/C/D中的任意一个按键时,继电器才释放。所谓非锁存模式就是按下A键,接收板的继电器吸合,如果松开A键,接收板的继电器立即释放。


    有实践经验的网友会发现,在相同的条件下,采用M4芯片的非锁存接收板的遥控距离要远远小于L4锁存型的遥控距离,有时只有锁存型的一半甚至还不到,并且继电器有吸合不稳定的现象,这是因为在非锁存状态,遥控信号需要每秒同步30次左右,当继电器控制的负载是电机或者是其它容易产生干扰的设备时,设备本身通电后产生的干扰会使遥控信号中断,从而使继电器工作在一种跳跃的不稳定状态。


    这里我们采用一种脉冲展宽抗干扰技术方法,仍然采用L4的解码芯片,通过将17脚输出的信号做一个0.5秒左右的延时展宽,使遥控输出信号更加稳定,站长在开发遥控大门的产品时就是采用这种办法,使遥控更远、更稳定,实践证明0.5秒的滞后延时不会影响操作。


接收板1J-T4 多用途单继电器遥控接收板(接收板25元一个,不含外壳)


    通过将芯片换成2272 T4芯片并且选择锁存模式,可以使接收板工作在触发翻转模式,也就是按一下遥控器A键,接收板的继电器吸合,再按一下遥控器A键,接收板的继电器释放。应用:用一个200米四键遥控器+4个触发翻转单继电器接收板,4接收板分别切换到A/B/C/D四个通道,这时用一个遥控器的A/B/C/D就可以分别控制四个地点的接收板,例如家庭多路(4路及以下)灯具、电器控制。(注意:必须切换到锁存模式才能正常工作)



备注:多用途单继电器接收板配外壳加5元,接收头换成3310超外差的加8元。


接收板4J-L4 多用途四继电器遥控接收板(接收板38元一个,不含外壳)



    这是我们新开发的多用途四继电器遥控接收板,可以和网站介绍的100米四键遥控器、200米四键遥控器、800米四键遥控器、2000米四键遥控器等配合使用。


    这款接收板上有4个大电流继电器,对应发射机的4个按键,还有一个2位的跳线柱,用于切换选择锁存或者非锁存模式。所谓锁存模式就是按下A键,接收板的A继电器吸合并保持,只有按下B/C/D中的任意一个按键时,A继电器才释放,按下的那路继电器吸合,也就是说接收板能记忆上次遥控的状态,并且能够自锁保持,直到接收到下次的遥控指令才改变继电器的状态。所谓非锁存模式就是按下A键,接收板的继电器吸合,如果松开A键,接收板的继电器立即释放。

    每个继电器都有一个对应的红色发光二极管来指示它的工作状态,电路板上左上角的两位接线柱位和电源插座是12伏直流电源输入端,每个继电器都有一个对应的三位接线柱,是一组常开转常闭的触点,中间为公共端,左侧为常开,右侧为常闭,板上PCB面都有详细注明。


    这款接收板非锁存模式也是采用脉冲展宽抗干扰技术的,所以遥控稳定、距离远。


接收板4J-T4 瞬态触发翻转型四继电器遥控接收板(接收板38元一个,不含外壳)


    通过将芯片换成2272 T4芯片并且选择锁存模式,可以使接收板工作在触发翻转模式,它可以独立控制四个通道,并且互相之间不会影响。例如:按一下遥控器上的A键,A通道对应的继电器吸合并保持,再按一下A键,继电器释放,其它通道工作过程相同。(注意:必须切换到锁存模式才能正常工作)



备注:接收板配外壳加6元,接收头换成3310超外差的加8元。


接收板4J-MCU 瞬态触发翻转型/非锁存四继电器抗干扰接收板

(不带外壳 49元一个)


   


备注:接收板配外壳加6元,接收头换成3310超外差的加8元。

     这款是采用菲利普P89LPC922FN单片机开发的多用途抗干扰接收板,它有两种工作模式:跳线帽A戴上为“瞬态触发翻转模式”即:它可以独立控制四个通道,并且互相之间不会影响。例如:按一下遥控器上的A键,A通道对应的继电器吸合并保持,再按一下A键,继电器释放,其它通道工作过程相同。跳线帽A不戴为“非锁存模式”就是按下A键,接收板的继电器吸合,如果松开A键,接收板的继电器立即释放,其它通道工作过程相同。


    采用单片机最大的优点是既多功能又可以提高电路的抗干扰能力,例如4J-T4控制有强烈干扰的负载如电机、电子节能灯等负载时可能会不稳定,容易出现遥控不稳定的缺点。例如按一下开,电机动了一下又自动关闭了,这是因为,电机通电的瞬间会产生较强的电磁干扰脉冲,如果干扰信号通过某种途径传递到芯片的触发端后,会引起误翻转,造成灯又被关闭了。而这款通过单片机软件加入逻辑判断,可以很好地解决控制稳定性的问题。


    这种接收板可以直接用内正外负极性的9~12伏稳压电源插头插入插座供电。

1、 本站不保证以上观点正确,就算是本站原创作品,本站也不保证内容正确。
2、如果您拥有本文版权,并且不想在本站转载,请书面通知本站立即删除并且向您公开道歉! 以上可能是本站收集或者转载的文章,本站可能没有文章中的元件或产品,如果您需要类似的商品请 点这里查看商品列表!
本站协议 | 版权信息 |  关于我们 |  本站地图 |  营业执照 |  发票说明 |  付款方式 |  联系方式
深圳市宝安区西乡五壹电子商行——粤ICP备16073394号-1;地址:深圳西乡河西四坊183号;邮编:518102
E-mail:51dz$163.com($改为@);Tel:(0755)27947428
工作时间:9:30-12:00和13:30-17:30和18:30-20:30,无人接听时可以再打手机13537585389