注意:访问本站需要Cookie和JavaScript支持!请设置您的浏览器! 打开购物车 查看留言付款方式联系我们
初中电子 单片机教材一 单片机教材二
搜索上次看见的商品或文章:
商品名、介绍 文章名、内容
首页 电子入门 学单片机 免费资源 下载中心 商品列表 象棋在线 在线绘图 加盟五一 加入收藏 设为首页
本站推荐:
单片放音集成电路MM1104A
文章长度[1044] 加入时间[2006/7/1] 更新时间[2026/5/8 14:30:42] 级别[3] [评论] [收藏]



2002年,第48期,类别:音响技术


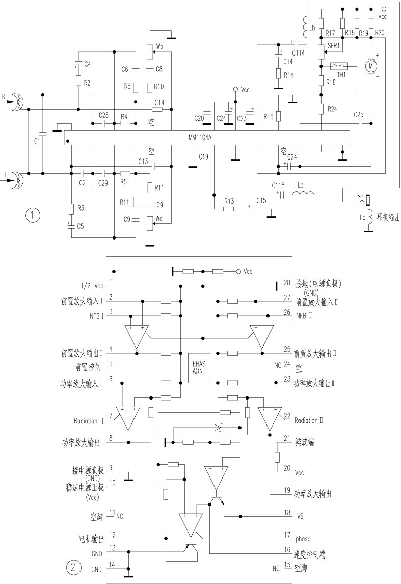
  MM1104A是爱华低档随身听中又一片常用的单片放音集成电路,且常用于国产的爱华机中。该片外形与常用的LAG665、LAG668一样,采用28脚双列扁平式封装,但电路结构有差异,不能直接代换。与该片能直接代换的有:MM1104B、MM1104C等。该片最大消耗功率700mW,工作电压范围2.0~5.0V,典型工作电压值3V。典型工作电路见图1,其内部结构及各引脚功能见图2,大致可将其分成两大块来熟悉工作原理。
  一、音频放大部分
  由两电路图可知,①~⑨脚、{19}~{28}脚为音频放大部分。在该音频处理电路中,前置级采用了OCL形式,而功率放大级采用了OTL形式输出。即整个音频处理电路的电源正极由{20}脚输入({21}脚为电源滤波端),⑨、{28}脚分别为功率放大级前置放大级的负极端,而①脚为中点电压1/2VCC(模拟地)。
  左、右声道的磁头信号分别以{2}、{27}脚接入到前置放大级,由内部OCL放大电路处理后由{4}、{25}脚输出,其中{3}、{26}脚为反馈端,C1、C2为高频滤波电容。前置放大输出信号经R、C电路再通过Wa、Wb电位器调节音量后输入到功率放大级的输入端,即IC的{6}、{23}脚。其中C13、C14为高频杂波滤除电容。功率放大后以{8}、{19}脚输出,由C15、C14耦合至耳机。La、Lb、Lc为增强低音效果用。
  二、电机驱动(电子稳速)
  除{11}、{15}脚为空脚外,{10}~{18}脚为电子稳速电路。该电路的电源正极由{10}脚输入,{13}、{14}脚为电源负极端。R17~R20为电源取样电阻,接电机正极,并为{16}脚的速度控制取样用。SFR1为速度调节电位器,{12}脚为电机负极输出端。

                                   江西  贺金锋



1、 本站不保证以上观点正确,就算是本站原创作品,本站也不保证内容正确。
2、如果您拥有本文版权,并且不想在本站转载,请书面通知本站立即删除并且向您公开道歉! 以上可能是本站收集或者转载的文章,本站可能没有文章中的元件或产品,如果您需要类似的商品请 点这里查看商品列表!
本站协议 | 版权信息 |  关于我们 |  本站地图 |  营业执照 |  发票说明 |  付款方式 |  联系方式
深圳市宝安区西乡五壹电子商行——粤ICP备16073394号-1;地址:深圳西乡河西四坊183号;邮编:518102
E-mail:51dz$163.com($改为@);Tel:(0755)27947428
工作时间:9:30-12:00和13:30-17:30和18:30-20:30,无人接听时可以再打手机13537585389