注意:访问本站需要Cookie和JavaScript支持!请设置您的浏览器! 打开购物车 查看留言付款方式联系我们
初中电子 单片机教材一 单片机教材二
搜索上次看见的商品或文章:
商品名、介绍 文章名、内容
首页 电子入门 学单片机 免费资源 下载中心 商品列表 象棋在线 在线绘图 加盟五一 加入收藏 设为首页
本站推荐:
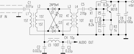
收音机加装单边带解调器
文章长度[1159] 加入时间[2006/7/1] 更新时间[2026/2/1 15:59:09] 级别[3] [评论] [收藏]

2003年,第5期,类别:电子技校


    单边带通信是业余无线电通信的一种方式。收音机对调幅信号解调时,必须将载波和携带信息的边带同时加到检波器上,才能解调出发射端的调制信号。由于单边带信号中没有载波,所以收音机是不能解调出单边带信号的。当收音机收到这种信号后,放出来的只会是噪声。
    要想让收音机解调出单边带信号,必须产生一个假载波加到收音机上。笔者用收音机在实际收听单边带信号过程中,制作了如附图所示的单边带解调器,成功地解调出了单边带信号。图中电路由两部分组成:(1)由D1~D4、L1~L4组成环形解调器;(2)由V1与外围元件构成中频振荡器(充当载波);(3)由L5、C2、C3组成低通滤波器,单边带信号从收音机的信号检波之前取出。经屏蔽线通过C1、L1、L2送到D1~D4,同时中频振荡器产生的信号经L4、L3也送到D1~D4,此时两路信号在D1~D4中进行混频,产生和频与差频。其中差频是所要听的声频信号,它通过低通滤波器送到低放进行放大。
    电路中的L1~L5需要自制。制作时,先找三个电子镇流器中的振荡磁环,这种磁环的导电率比较高,绕制线圈之前先将磁环外表刷一层绝缘漆,等漆干后再绕线圈。L1~L4用∮0.33mm的漆包线绕制,L5用∮0.13mm的漆包线绕制。L1和L2同绕一个磁环。L3和L4同绕一个磁环。注意:L2、L3都是双线并绕的。然后将其中一线的头与另一线的尾连接作为中心抽头。晶体的频率与收音机的中频频率相同,如收音机的中频为465kHz,便选用465kHz的晶体。
    电路组装好后,一般不用调试便可接收单边带信号了。
    对收听中的几点建议:(1)选用的收音机或收录机最好带有微调装置,若没有可自行加装。当收到一个单边带信号后,便可缓慢地拨动微调对声音的音调进行调节,直至听到满意的声音。(2)每天早上八点钟就有国内的业余电台在14MHz附近通信,此时收到单边带信号的机会就会高些。(3)由于业余电台的发射功率都很小,建议将收音机的天线加长三至五米。

                                     陕西  于江



1、 本站不保证以上观点正确,就算是本站原创作品,本站也不保证内容正确。
2、如果您拥有本文版权,并且不想在本站转载,请书面通知本站立即删除并且向您公开道歉! 以上可能是本站收集或者转载的文章,本站可能没有文章中的元件或产品,如果您需要类似的商品请 点这里查看商品列表!
本站协议 | 版权信息 |  关于我们 |  本站地图 |  营业执照 |  发票说明 |  付款方式 |  联系方式
深圳市宝安区西乡五壹电子商行——粤ICP备16073394号-1;地址:深圳西乡河西四坊183号;邮编:518102
E-mail:51dz$163.com($改为@);Tel:(0755)27947428
工作时间:9:30-12:00和13:30-17:30和18:30-20:30,无人接听时可以再打手机13537585389