注意:访问本站需要Cookie和JavaScript支持!请设置您的浏览器! 打开购物车 查看留言付款方式联系我们
初中电子 单片机教材一 单片机教材二
搜索上次看见的商品或文章:
商品名、介绍 文章名、内容
首页 电子入门 学单片机 免费资源 下载中心 商品列表 象棋在线 在线绘图 加盟五一 加入收藏 设为首页
本站推荐:
抢答器电路需改进
文章长度[1010] 加入时间[2006/7/1] 更新时间[2026/3/10 16:06:09] 级别[3] [评论] [收藏]


2003年,第6期,类别:电子制作


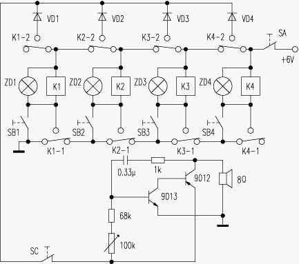
    《电子报》2003年第1期第十版刊登的《一种抢答器制作结果》一文,笔者对其中的问题进行了分析,认为问题主要在电路设计而不在继电器,继电器只要工作电压与电源电压相符就可选用。该抢答器中每个继电器用了其一组常开接点和一组转换接点,继电器接点动作虽然很快,但动作完成总需要一定时间,通常以ms计,由该抢答器电路可知,若按下SB2,则K2得电,其K2-1与K2-2两组接点同时开始动作,在K2-1动作过程中,其动、静触头闭合尚未到位时,K2-2已将K2的电源切断,使K2失电,因此,该电路中K2-1不可能使K2实现吸合自保。
    要解决这一问题,方法之一可在每只继电器上并联一只几十μF的电容,这样,当继电器的转换接点切断其电源时,由于继电器的释放电压是低于吸合电压的。因此,电解电容上的电压可维持继电器继续吸合短暂时间,以使常开接点的动作闭合到位,实现自保。这种方法只有电解电容的充电电压达到继电器的吸合电压时,继电器才会吸合,因此,按动继电器按钮的时间不能太短,否则,电容上电压未达到吸合电压,继电器不吸合。
    另一方法是改变电路的接法,如图所示。每个继电器用其两组转换接点。仍以第二组为例,当SB2按下时,K2吸合,灯ZD2亮,K2-1转换位置使K2自保,K2-2转换位置使讯响器发声,其余继电器电源均被切断,相应的抢答按钮不起作用。改变接法后,K2-2转换位置时没有使K2失电,因此K2能吸合自保。经这样改动后,该抢答电路仍不失为是一种简单、易制、可扩的优良电路。

                                    江苏  陈金华

    编者注:指出了原电路的问题所在,并提出改进方法的还有辽宁李玉春、山东赵吉庆、福建王长宾等8人。



 

1、 本站不保证以上观点正确,就算是本站原创作品,本站也不保证内容正确。
2、如果您拥有本文版权,并且不想在本站转载,请书面通知本站立即删除并且向您公开道歉! 以上可能是本站收集或者转载的文章,本站可能没有文章中的元件或产品,如果您需要类似的商品请 点这里查看商品列表!
本站协议 | 版权信息 |  关于我们 |  本站地图 |  营业执照 |  发票说明 |  付款方式 |  联系方式
深圳市宝安区西乡五壹电子商行——粤ICP备16073394号-1;地址:深圳西乡河西四坊183号;邮编:518102
E-mail:51dz$163.com($改为@);Tel:(0755)27947428
工作时间:9:30-12:00和13:30-17:30和18:30-20:30,无人接听时可以再打手机13537585389